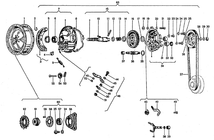
Cubo rueda trasera
Piaggio Bravo 50 SC 2 (EEM1T20)
Ordenar