muy bueno
4.7 / 5
Envío hoy con pedido en 10 h 11 min
Gastos de envío gratuitos a partir de 99€ (DE)
Alta satisfacción del cliente
Contacto
|
Privacidad
|
AGB & Customer Info
|
Pie de imprenta
Envío hoy con pedido en 10 h 11 min
Blog
DE | €
Mi garaje
¿Ha olvidado su contraseña?
de acceso
Crear una nueva cuenta de cliente
0
Todos
Motor
Todo apagado Motor
Caja de cambios
Carburador
Cigüeñal
Cilindro
Colector de admisión y diafragma
Conducir
Conjunto de revisiones
Embrague
Encendido
Escape
Filtro de aire
Inicio
Motor y carcasa
Motores
Refrigeración
Sellos
Sistema de inyección
Tornillos y piezas pequeñas
Sistema eléctrico
Todo apagado Sistema eléctrico
Bujías de encendido
Cables
Encendido y alternador
Enchufe
Fuente de luz
Iluminación
Instrumentos
Interruptores
Motor de arranque
Pilas
Regulador, rectificador
Tornillos y piezas pequeñas
Bastidor y piezas complementarias
Todo apagado Bastidor y piezas complementarias
Amortiguador
Caballete principal y lateral
Cojinete del cabezal de dirección
Horquillas
Piezas de revestimiento
Rotulación
Sillines
Sistema de combustible
Tornillos y piezas pequeñas
Manillares y accesorios
Todo apagado Manillares y accesorios
Asas
Espejo
Freno y embrague
Instrumentos
Interruptores
Manillares y piezas de carenado
Palancas de cambio de gas
Tornillos y piezas pequeñas
Cables Bowden
Todo apagado Cables Bowden
Boquillas de sujeción y tornillos de ajuste
Cables del velocímetro
Elementos de control
Líneas de freno
Mandos tacométricos
Tirones de cable y series
Ruedas
Todo apagado Ruedas
Frenos
Llantas
Mangueras
Neumáticos
Ruedas
Válvulas y piezas pequeñas
Servicio
Todo apagado Servicio
Aceites
Correa trapezoidal
Establece
Filtros
Herramienta
Petróleo y química
Todo apagado Petróleo y química
Aceites
Adhesivos
Grasas y lubricantes
Lacas y colores
Material de explotación
Material para talleres
Productos de cuidado y limpieza
Sellador
Accesorios
Todo apagado Accesorios
Accesorios especiales
Aceleradores y limitadores de revoluciones
Carteras
Defensas
Equipamiento de taller
Maletas
Manuales y más
Mercancía
Parabrisas
Portaequipajes
Protección antirrobo
Soportes y accesorios para teléfonos móviles
Cascos y ropa
Todo apagado Cascos y ropa
Accesorios
Camisetas y camisas
Cascos
Chaquetas y pantalones
Gafas y viseras
Guantes
Vales
Consejo del día
%
BGM PRO
Herramienta de desmontaje eje rueda delantera -BGM PRO- Vespa 125 V1-V15, V30-33, VM1-2, VN1, VN2, VNA, VNB , 150 VL, VB, VBA, VBB, VLA1, VGL1, VGLA1, VGLB1, Super, GL, T4, Sprint, GT, GTR, Rally, TS, Motovespa (1959-1964) 125N, 125S, 150S
22,28 €*
25,32 €*
Vespa clásica
Motor
Todo apagado Motor
Caja de cambios
Carburador
Cigüeñal
Cilindro
Colector de admisión y diafragma
Conducir
Conjunto de revisiones
Embrague
Encendido
Escape
Filtro de aire
Inicio
Motor y carcasa
Motores
Refrigeración
Sellos
Tornillos y piezas pequeñas
Sistema eléctrico
Todo apagado Sistema eléctrico
Bujías de encendido
Cables
Encendido y alternador
Enchufe
Fuente de luz
Iluminación
Instrumentos
Interruptores
Motor de arranque
Pilas
Regulador, rectificador
Tornillos y piezas pequeñas
Chasis
Todo apagado Chasis
Amortiguador
Bancos
Caballete principal y lateral
Cojinete del cabezal de dirección
Horquillas
Piezas de revestimiento
Rotulación
Sistema de combustible
Tornillos y piezas pequeñas
Manillar
Todo apagado Manillar
Asas
Espejo
Freno y embrague
Instrumentos
Interruptores
Manillares y piezas de carenado
Palancas de cambio de gas
Tornillos y piezas pequeñas
Cables Bowden
Todo apagado Cables Bowden
Boquillas de sujeción y tornillos de ajuste
Cables del velocímetro
Elementos de control
Líneas de freno
Mandos tacométricos
Tirones de cable y series
Ruedas
Todo apagado Ruedas
Frenos
Llantas
Mangueras
Neumáticos
Ruedas
Válvulas y piezas pequeñas
Servicio
Todo apagado Servicio
Aceites
Establece
Filtros
Herramienta
Aceite y química
Todo apagado Aceite y química
Aceites
Adhesivos
Grasas y lubricantes
Lacas y colores
Material de explotación
Material para talleres
Productos de cuidado y limpieza
Sellador
Accesorios
Todo apagado Accesorios
Accesorios especiales
Barra de choque
Bolsas
Equipamiento para talleres
Literatura
Mercancía
Paravientos
Portaequipajes
Soportes y accesorios para teléfonos móviles
TopCase
Cascos y ropa
Todo apagado Cascos y ropa
Accesorios
Camisetas y camisas
Cascos
Chaquetas y pantalones
Gafas y viseras
Guantes
Consejo del día
LTH
Escape -LTH-Box Road Racing- Vespa PX80, PX125, PX150 - para la puesta a punto de los cilindros 166cc, 172cc, 177cc, 187cc, 190cc - Negro
182,01 €*
Vespa Moderna
Motor
Todo apagado Motor
Caja de cambios
Carburador
Cigüeñal
Cilindro
Colector de admisión y diafragma
Conducir
Conjunto de revisiones
Embrague
Encendido
Escape
Filtros de aire
Inicio
Motor y carcasa
Motores
Refrigeración
Sellos
Sistema de inyección
Tornillos y piezas pequeñas
Sistema eléctrico
Todo apagado Sistema eléctrico
Bujías de encendido
Cables
Encendido y alternador
Enchufe
Fuente de luz
Iluminación
Instrumentos
Interruptores
Motor de arranque
Pilas
Regulador, rectificador
Tornillos y piezas pequeñas
Bastidor y piezas complementarias
Todo apagado Bastidor y piezas complementarias
Amortiguador
Bancos
Caballete principal y lateral
Cojinete del cabezal de dirección
Horquillas
Piezas de revestimiento
Rotulación
Sistema de combustible
Tornillos y piezas pequeñas
Manillares y accesorios
Todo apagado Manillares y accesorios
Asas
Espejo
Freno y embrague
Instrumentos
Interruptores
Manillares y piezas de carenado
Palancas de cambio de gas
Tornillos y piezas pequeñas
Cables Bowden
Todo apagado Cables Bowden
Boquillas de sujeción y tornillos de ajuste
Cables del velocímetro
Elementos de control
Líneas de freno
Mandos tacométricos
Tirones de cable y series
Ruedas
Todo apagado Ruedas
Frenos
Llantas
Mangueras
Neumáticos
Ruedas
Válvulas y piezas pequeñas
Servicio
Todo apagado Servicio
Aceites
Correa trapezoidal
Establece
Filtros
Herramienta
Más limpio
Petróleo y química
Todo apagado Petróleo y química
Aceites
Adhesivos
Grasas y lubricantes
Lacas y colores
Material de explotación
Material para talleres
Productos de cuidado y limpieza
Selladores
Accesorios
Todo apagado Accesorios
Accesorios especiales
Barra de choque
Bolsas
Equipamiento para talleres
Literatura
Mercancía
Paravientos
Portaequipajes
Protección antirrobo
Soportes y accesorios para teléfonos móviles
TopCase
Cascos y ropa
Todo apagado Cascos y ropa
Accesorios
Camisetas y camisas
Cascos
Chaquetas y pantalones
Gafas y viseras
Guantes
Consejo del día
Arriba
Moto Nostra
Carter de aceite con mirilla -MOTO NOSTRA- negro brillante - Vespa GTS 310 (2024-) - Vespa GTS MP3 HPE 310 (2024-)
192,18 €*
Ciclomotor Classic
Motor
Todo apagado Motor
Caja de cambios
Carburador
Cigüeñal
Cilindro
Colector de admisión y diafragma
Conducir
Conjunto de revisiones
Embrague
Encendido
Escape
Filtros de aire
Inicio
Motor y carcasa
Refrigeración
Sellos
Tornillos y piezas pequeñas
Sistema eléctrico
Todo apagado Sistema eléctrico
Bujías de encendido
Cables
Encendido y alternador
Enchufe
Fuente de luz
Iluminación
Instrumentos
Interruptores
Pilas
Regulador, rectificador
Tornillos y piezas pequeñas
Bastidor y piezas complementarias
Todo apagado Bastidor y piezas complementarias
Amortiguador
Bancos
Caballete principal y lateral
Cojinete del cabezal de dirección
Horquillas
Piezas de revestimiento
Rotulación
Sistema de combustible
Tornillos y piezas pequeñas
Manillares y accesorios
Todo apagado Manillares y accesorios
Asas
Espejo
Freno y embrague
Instrumentos
Interruptores
Manillares y piezas de carenado
Palancas de cambio de gas
Tornillos y piezas pequeñas
Cables Bowden
Todo apagado Cables Bowden
Boquillas de sujeción y tornillos de ajuste
Cables del velocímetro
Elementos de control
Mandos tacométricos
Tirones de cable y series
Ruedas
Todo apagado Ruedas
Frenos
Llantas
Mangueras
Neumáticos
Ruedas
Válvulas y piezas pequeñas
Servicio
Todo apagado Servicio
Aceites
Filtros
Herramienta
Petróleo y química
Todo apagado Petróleo y química
Aceites
Adhesivos
Grasas y lubricantes
Lacas y colores
Material de explotación
Material para talleres
Productos de cuidado y limpieza
Sellador
Accesorios
Todo apagado Accesorios
Accesorios especiales
Bolsas
Equipamiento para talleres
Literatura
Mercancía
Portaequipajes
Protección antirrobo
Cascos y ropa
Todo apagado Cascos y ropa
Accesorios
Camisetas y camisas
Cascos
Guantes
Consejo del día
BGM PRO
Campana de embrague -BGM PRO- Piaggio Ciao, Bravo, Boxer, Si -una pieza con aletas de refrigeración, CNC Made in Germany, modelos con variador
131,17 €*
Lambretta
Motor
Todo apagado Motor
Caja de cambios
Carburador
Cigüeñal
Cilindro
Colector de admisión y diafragma
Conducir
Conjuntos de revisión
Embrague
Encendido
Escape
Filtro de aire
Kickstarter
Motor y carcasa
Refrigeración
Sellos
Tornillos y piezas pequeñas
Sistema eléctrico
Todo apagado Sistema eléctrico
Bujías de encendido
Encendido y alternador
Enchufe
Fuente de luz
Iluminación
Instrumentos
Interruptores
Mazos de cables
Pilas
Regulador y rectificador
Tornillos y piezas pequeñas
Bastidor y piezas complementarias
Todo apagado Bastidor y piezas complementarias
Amortiguador
Bancos
Caballete principal
Cojinete del cabezal de dirección
Horquillas
Piezas de revestimiento
Rotulación
Sistema de combustible
Tornillos y piezas pequeñas
Manillares y accesorios
Todo apagado Manillares y accesorios
Espejo
Freno y embrague
Instrumentos
Interruptores
Manillares y piezas de carenado
Palancas de cambio de gas
Puños
Tornillos y piezas pequeñas
Cables Bowden
Todo apagado Cables Bowden
Cables del velocímetro
Elementos de control
Líneas de freno
Mandos tacométricos
Tetones y tornillos de ajuste
Tirones de cable y series
Ruedas
Todo apagado Ruedas
Frenos
Llantas
Mangueras
Neumáticos
Ruedas
Válvulas y piezas pequeñas
Servicio
Todo apagado Servicio
Aceites
Establece
Herramienta
Más limpio
Petróleo y química
Todo apagado Petróleo y química
Aceites
Adhesivos
Grasas y lubricantes
Lacas y colores
Material de explotación
Material para talleres
Productos de cuidado y limpieza
Sellador
Accesorios
Todo apagado Accesorios
Accesorios especiales
Barra de choque
Bolsas
Equipamiento para talleres
Literatura
Mercancía
Paravientos
Portaequipajes
Protección antirrobo
Soportes y accesorios para teléfonos móviles
Cascos y ropa
Todo apagado Cascos y ropa
Accesorios
Camisetas y camisas
Cascos
Chaquetas y pantalones
Guantes
Consejo del día
BGM PRO
Compresor de muelle de horquilla -BGM PRO Made in Germany- Lambretta LI, LIS, SX, TV, DL, GP
59,99 €*
Scooter 50-850cc
Motor
Todo apagado Motor
Arranque
Carburadores
Carcasas de motor
Cigüeñal
Cilindros
Colector de admisión y válvula de láminas
Conjunto de revisiones
Embrague
Encendido
Engranajes
Escape
Filtros de aire
Juntas
Motores
Refrigeración
Sistema de inyección
Tornillos y piezas pequeñas
Transmisión
Sistema eléctrico
Todo apagado Sistema eléctrico
arranque
Baterías
Bombillas
Bujías
Cables
Encendido y alternador
enchufes y clavijas
iluminación
Instrumentos de visualización
Interruptores
Regulador, rectificador
Tornillos y piezas pequeñas
Bastidor y piezas complementarias
Todo apagado Bastidor y piezas complementarias
Amortiguador
Bancos
Caballete principal y lateral
Cojinete del cabezal de dirección
Horquillas
Piezas chasis
Rotulación
Sistema de combustible
Tornillos y piezas pequeñas
Manillares y accesorios
Todo apagado Manillares y accesorios
Asas
Espejo
Freno y embrague
Instrumentos
Interruptores
Manillares y piezas de carenado
Palancas de cambio de gas
Tornillos y piezas pequeñas
Cables Bowden
Todo apagado Cables Bowden
Boquillas de sujeción y tornillos de ajuste
Cables del velocímetro
Elementos de control
Líneas de freno
Mandos tacométricos
Tirones de cable y series
Ruedas
Todo apagado Ruedas
Frenos
Llantas
Mangueras
Neumáticos
Ruedas
Válvulas y piezas pequeñas
Servicio
Todo apagado Servicio
Aceites
Correas de transmisión
Establece
Filtros
Herramienta
Limpiador
Petróleo y química
Todo apagado Petróleo y química
Aceites
Adhesivos
Grasas y lubricantes
Lacas y colores
Líquidos de servicio
Material para talleres
Productos de cuidado y limpieza
Sellador
Accesorios
Todo apagado Accesorios
Accesorios especiales
Aceleradores y limitadores de revoluciones
Bolsas
Defensas
Equipamiento para talleres
Literatura
Mercancía
Paravientos
Portaequipajes
Protección antirrobo
Soportes y accesorios para teléfonos móviles
TopCase
Cascos y ropa
Todo apagado Cascos y ropa
Accesorios
Camisetas y camisas
Cascos
Chaquetas y pantalones
Gafas y viseras
Guantes
Consejo del día
Ferodo
Embrague -PIAGGIO- Piaggio 125-150 ccm 2 tiempos - Gilera Runner 125 (ZAPM07000), Piaggio Hexagon 125 (EXS1T, ZAPM05000), Piaggio Hexagon 150 (EXV1T), Piaggio Skipper 125 (ZAPM12000), Piaggio Skipper 150 (ZAPM13000), Piaggio SKR 125 (CSM1T), Piaggio SKR 1
127,10 €*
Dell'orto
SH1 18-20
Motor
Sistema eléctrico
Bastidor y piezas complementarias
Manillares y accesorios
Cables Bowden
Ruedas
Servicio
Petróleo y química
Accesorios
Cascos y ropa
Vales
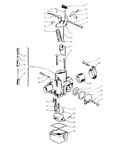
Dell'orto SH1 18-20
Despiece
SH1 18-20
Despiece
Dell'orto SH1 18-20
SH1 18-20
×
×