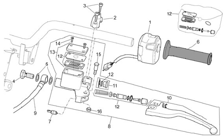
Interruptores lado izquierdo
Aprilia SR 50 R-Factory (2004-2005, ZD4VF0)
Ordenar