muy bueno
4.7 / 5
Envío hoy con pedido en 1 h 2 min
Gastos de envío gratuitos a partir de 99€ (DE)
Alta satisfacción del cliente
Contacto
|
Privacidad
|
AGB & Customer Info
|
Pie de imprenta
Envío hoy con pedido en 1 h 2 min
Blog
DE | €
Mi vehículo
¿Ha olvidado su contraseña?
de acceso
Crear una nueva cuenta de cliente
0
Todos
Motor
Todo apagado Motor
Caja de cambios
Carburador
Cigüeñal
Cilindro
Colector de admisión y diafragma
Conducir
Conjunto de revisiones
Embrague
Encendido
Escape
Filtro de aire
Inicio
Motor y carcasa
Motores
Refrigeración
Sellos
Sistema de inyección
Tornillos y piezas pequeñas
Sistema eléctrico
Todo apagado Sistema eléctrico
Bujías de encendido
Cables
Encendido y alternador
Enchufe
Fuente de luz
Iluminación
Instrumentos
Interruptores
Motor de arranque
Pilas
Regulador, rectificador
Tornillos y piezas pequeñas
Bastidor y piezas complementarias
Todo apagado Bastidor y piezas complementarias
Amortiguador
Caballete principal y lateral
Cojinete del cabezal de dirección
Horquillas
Piezas de revestimiento
Rotulación
Sillines
Sistema de combustible
Tornillos y piezas pequeñas
Manillares y accesorios
Todo apagado Manillares y accesorios
Asas
Espejo
Freno y embrague
Instrumentos
Interruptores
Manillares y piezas de carenado
Palancas de cambio de gas
Tornillos y piezas pequeñas
Cables Bowden
Todo apagado Cables Bowden
Boquillas de sujeción y tornillos de ajuste
Cables del velocímetro
Elementos de control
Líneas de freno
Mandos tacométricos
Tirones de cable y series
Ruedas
Todo apagado Ruedas
Frenos
Llantas
Mangueras
Neumáticos
Ruedas
Válvulas y piezas pequeñas
Servicio
Todo apagado Servicio
Aceites
Correa trapezoidal
Establece
Filtros
Herramienta
Petróleo y química
Todo apagado Petróleo y química
Aceites
Adhesivos
Grasas y lubricantes
Lacas y colores
Material de explotación
Material para talleres
Productos de cuidado y limpieza
Sellador
Accesorios
Todo apagado Accesorios
Accesorios especiales
Aceleradores y limitadores de revoluciones
Carteras
Defensas
Equipamiento de taller
Maletas
Manuales y más
Mercancía
Parabrisas
Portaequipajes
Protección antirrobo
Soportes y accesorios para teléfonos móviles
Cascos y ropa
Todo apagado Cascos y ropa
Accesorios
Camisetas y camisas
Cascos
Chaquetas y pantalones
Gafas y viseras
Guantes
Vales
Consejo del día
Knipex
Pinzas de agarre frontal -KNIPEX TwinGrip
23,90 €*
Vespa clásica
Motor
Todo apagado Motor
Caja de cambios
Carburador
Cigüeñal
Cilindro
Colector de admisión y diafragma
Conducir
Conjunto de revisiones
Embrague
Encendido
Escape
Filtro de aire
Inicio
Motor y carcasa
Motores
Refrigeración
Sellos
Tornillos y piezas pequeñas
Sistema eléctrico
Todo apagado Sistema eléctrico
Bujías de encendido
Cables
Encendido y alternador
Enchufe
Fuente de luz
Iluminación
Instrumentos
Interruptores
Motor de arranque
Pilas
Regulador, rectificador
Tornillos y piezas pequeñas
Chasis
Todo apagado Chasis
Amortiguador
Bancos
Caballete principal y lateral
Cojinete del cabezal de dirección
Horquillas
Piezas de revestimiento
Rotulación
Sistema de combustible
Tornillos y piezas pequeñas
Manillar
Todo apagado Manillar
Asas
Espejo
Freno y embrague
Instrumentos
Interruptores
Manillares y piezas de carenado
Palancas de cambio de gas
Tornillos y piezas pequeñas
Cables Bowden
Todo apagado Cables Bowden
Boquillas de sujeción y tornillos de ajuste
Cables del velocímetro
Elementos de control
Líneas de freno
Mandos tacométricos
Tirones de cable y series
Ruedas
Todo apagado Ruedas
Frenos
Llantas
Mangueras
Neumáticos
Ruedas
Válvulas y piezas pequeñas
Servicio
Todo apagado Servicio
Aceites
Establece
Filtros
Herramienta
Aceite y química
Todo apagado Aceite y química
Aceites
Adhesivos
Grasas y lubricantes
Lacas y colores
Material de explotación
Material para talleres
Productos de cuidado y limpieza
Sellador
Accesorios
Todo apagado Accesorios
Accesorios especiales
Barra de choque
Bolsas
Equipamiento para talleres
Literatura
Mercancía
Paravientos
Portaequipajes
Soportes y accesorios para teléfonos móviles
TopCase
Cascos y ropa
Todo apagado Cascos y ropa
Accesorios
Camisetas y camisas
Cascos
Chaquetas y pantalones
Gafas y viseras
Guantes
Consejo del día
Nuevo
Arriba
BGM PRO
Llanta -BGM Pro Superstrong tubeless 2.10-10 pulgadas aluminio- Vespa V50, 50N, Special, PV, ET3, PK50-125 (S/XL/XL2), PX, T5, Sprint, Rally, GT/GTR, LML Star, Deluxe, Stella - negro mate
89,00 €*
Vespa Moderna
Motor
Todo apagado Motor
Caja de cambios
Carburador
Cigüeñal
Cilindro
Colector de admisión y diafragma
Conducir
Conjunto de revisiones
Embrague
Encendido
Escape
Filtros de aire
Inicio
Motor y carcasa
Motores
Refrigeración
Sellos
Sistema de inyección
Tornillos y piezas pequeñas
Sistema eléctrico
Todo apagado Sistema eléctrico
Bujías de encendido
Cables
Encendido y alternador
Enchufe
Fuente de luz
Iluminación
Instrumentos
Interruptores
Motor de arranque
Pilas
Regulador, rectificador
Tornillos y piezas pequeñas
Bastidor y piezas complementarias
Todo apagado Bastidor y piezas complementarias
Amortiguador
Bancos
Caballete principal y lateral
Cojinete del cabezal de dirección
Horquillas
Piezas de revestimiento
Rotulación
Sistema de combustible
Tornillos y piezas pequeñas
Manillares y accesorios
Todo apagado Manillares y accesorios
Asas
Espejo
Freno y embrague
Instrumentos
Interruptores
Manillares y piezas de carenado
Palancas de cambio de gas
Tornillos y piezas pequeñas
Cables Bowden
Todo apagado Cables Bowden
Boquillas de sujeción y tornillos de ajuste
Cables del velocímetro
Elementos de control
Líneas de freno
Mandos tacométricos
Tirones de cable y series
Ruedas
Todo apagado Ruedas
Frenos
Llantas
Mangueras
Neumáticos
Ruedas
Válvulas y piezas pequeñas
Servicio
Todo apagado Servicio
Aceites
Correa trapezoidal
Establece
Filtros
Herramienta
Más limpio
Petróleo y química
Todo apagado Petróleo y química
Aceites
Adhesivos
Grasas y lubricantes
Lacas y colores
Material de explotación
Material para talleres
Productos de cuidado y limpieza
Selladores
Accesorios
Todo apagado Accesorios
Accesorios especiales
Barra de choque
Bolsas
Equipamiento para talleres
Literatura
Mercancía
Paravientos
Portaequipajes
Protección antirrobo
Soportes y accesorios para teléfonos móviles
TopCase
Cascos y ropa
Todo apagado Cascos y ropa
Accesorios
Camisetas y camisas
Cascos
Chaquetas y pantalones
Gafas y viseras
Guantes
Consejo del día
VESPTEC
Tapa -VESPTEC- Vespa GTS 125-310 Keyless, GTV 125-310 Keyless - para adaptador reposapiés MN1061
34,90 €*
Ciclomotor Classic
Motor
Todo apagado Motor
Caja de cambios
Carburador
Cigüeñal
Cilindro
Colector de admisión y diafragma
Conducir
Conjunto de revisiones
Embrague
Encendido
Escape
Filtros de aire
Inicio
Motor y carcasa
Refrigeración
Sellos
Tornillos y piezas pequeñas
Sistema eléctrico
Todo apagado Sistema eléctrico
Bujías de encendido
Cables
Encendido y alternador
Enchufe
Fuente de luz
Iluminación
Instrumentos
Interruptores
Pilas
Regulador, rectificador
Tornillos y piezas pequeñas
Bastidor y piezas complementarias
Todo apagado Bastidor y piezas complementarias
Amortiguador
Bancos
Caballete principal y lateral
Cojinete del cabezal de dirección
Horquillas
Piezas de revestimiento
Rotulación
Sistema de combustible
Tornillos y piezas pequeñas
Manillares y accesorios
Todo apagado Manillares y accesorios
Asas
Espejo
Freno y embrague
Instrumentos
Interruptores
Manillares y piezas de carenado
Palancas de cambio de gas
Tornillos y piezas pequeñas
Cables Bowden
Todo apagado Cables Bowden
Boquillas de sujeción y tornillos de ajuste
Cables del velocímetro
Elementos de control
Mandos tacométricos
Tirones de cable y series
Ruedas
Todo apagado Ruedas
Frenos
Llantas
Mangueras
Neumáticos
Ruedas
Válvulas y piezas pequeñas
Servicio
Todo apagado Servicio
Aceites
Filtros
Herramienta
Petróleo y química
Todo apagado Petróleo y química
Aceites
Adhesivos
Grasas y lubricantes
Lacas y colores
Material de explotación
Material para talleres
Productos de cuidado y limpieza
Sellador
Accesorios
Todo apagado Accesorios
Accesorios especiales
Bolsas
Equipamiento para talleres
Literatura
Mercancía
Portaequipajes
Protección antirrobo
Cascos y ropa
Todo apagado Cascos y ropa
Accesorios
Camisetas y camisas
Cascos
Guantes
Consejo del día
MC Proparts
Juego de casquillos -MC Casquillos de horquilla- Brazos oscilantes de horquilla Ciao, para revisión y estabilización de la rueda delantera
17,90 €*
Lambretta
Motor
Todo apagado Motor
Caja de cambios
Carburador
Cigüeñal
Cilindro
Colector de admisión y diafragma
Conducir
Conjuntos de revisión
Embrague
Encendido
Escape
Filtro de aire
Kickstarter
Motor y carcasa
Refrigeración
Sellos
Tornillos y piezas pequeñas
Sistema eléctrico
Todo apagado Sistema eléctrico
Bujías de encendido
Encendido y alternador
Enchufe
Fuente de luz
Iluminación
Instrumentos
Interruptores
Mazos de cables
Pilas
Regulador y rectificador
Tornillos y piezas pequeñas
Bastidor y piezas complementarias
Todo apagado Bastidor y piezas complementarias
Amortiguador
Bancos
Caballete principal
Cojinete del cabezal de dirección
Horquillas
Piezas de revestimiento
Rotulación
Sistema de combustible
Tornillos y piezas pequeñas
Manillares y accesorios
Todo apagado Manillares y accesorios
Espejo
Freno y embrague
Instrumentos
Interruptores
Manillares y piezas de carenado
Palancas de cambio de gas
Puños
Tornillos y piezas pequeñas
Cables Bowden
Todo apagado Cables Bowden
Cables del velocímetro
Elementos de control
Líneas de freno
Mandos tacométricos
Tetones y tornillos de ajuste
Tirones de cable y series
Ruedas
Todo apagado Ruedas
Frenos
Llantas
Mangueras
Neumáticos
Ruedas
Válvulas y piezas pequeñas
Servicio
Todo apagado Servicio
Aceites
Establece
Herramienta
Más limpio
Petróleo y química
Todo apagado Petróleo y química
Aceites
Adhesivos
Grasas y lubricantes
Lacas y colores
Material de explotación
Material para talleres
Productos de cuidado y limpieza
Sellador
Accesorios
Todo apagado Accesorios
Accesorios especiales
Barra de choque
Bolsas
Equipamiento para talleres
Literatura
Mercancía
Paravientos
Portaequipajes
Protección antirrobo
Soportes y accesorios para teléfonos móviles
Cascos y ropa
Todo apagado Cascos y ropa
Accesorios
Camisetas y camisas
Cascos
Chaquetas y pantalones
Guantes
Consejo del día
Selleria Trezzi
Asiento SIL (Scooter India Limited) -MADE IN ITALY- Lambretta DL, GP - negro
399,00 €*
Scooter 50-850cc
Motor
Todo apagado Motor
Arranque
Carburadores
Carcasas de motor
Cigüeñal
Cilindros
Colector de admisión y válvula de láminas
Conjunto de revisiones
Embrague
Encendido
Engranajes
Escape
Filtros de aire
Juntas
Motores
Refrigeración
Sistema de inyección
Tornillos y piezas pequeñas
Transmisión
Sistema eléctrico
Todo apagado Sistema eléctrico
arranque
Baterías
Bombillas
Bujías
Cables
Encendido y alternador
enchufes y clavijas
iluminación
Instrumentos de visualización
Interruptores
Regulador, rectificador
Tornillos y piezas pequeñas
Bastidor y piezas complementarias
Todo apagado Bastidor y piezas complementarias
Amortiguador
Bancos
Caballete principal y lateral
Cojinete del cabezal de dirección
Horquillas
Piezas chasis
Rotulación
Sistema de combustible
Tornillos y piezas pequeñas
Manillares y accesorios
Todo apagado Manillares y accesorios
Asas
Espejo
Freno y embrague
Instrumentos
Interruptores
Manillares y piezas de carenado
Palancas de cambio de gas
Tornillos y piezas pequeñas
Cables Bowden
Todo apagado Cables Bowden
Boquillas de sujeción y tornillos de ajuste
Cables del velocímetro
Elementos de control
Líneas de freno
Mandos tacométricos
Tirones de cable y series
Ruedas
Todo apagado Ruedas
Frenos
Llantas
Mangueras
Neumáticos
Ruedas
Válvulas y piezas pequeñas
Servicio
Todo apagado Servicio
Aceites
Correas de transmisión
Establece
Filtros
Herramienta
Limpiador
Petróleo y química
Todo apagado Petróleo y química
Aceites
Adhesivos
Grasas y lubricantes
Lacas y colores
Líquidos de servicio
Material para talleres
Productos de cuidado y limpieza
Sellador
Accesorios
Todo apagado Accesorios
Accesorios especiales
Aceleradores y limitadores de revoluciones
Bolsas
Defensas
Equipamiento para talleres
Literatura
Mercancía
Paravientos
Portaequipajes
Protección antirrobo
Soportes y accesorios para teléfonos móviles
TopCase
Cascos y ropa
Todo apagado Cascos y ropa
Accesorios
Camisetas y camisas
Cascos
Chaquetas y pantalones
Gafas y viseras
Guantes
Consejo del día
Nuevo
Malossi
Tapa Vario -MALOSSI-, aluminio, anodizado duro- motor Piaggio Leader/Quasar - ET4, LX/LXV125-150, S125-150, GT/GTS/GTV/GTL 125-300, Royal Alloy GP, TG - negro
86,90 €*
Despiece
Vespa Primavera/Sprint 50
Vespa Primavera 50 Touring IGET (4-Takt, 2018, ZAPCA0100) 11 Zol
getriebene Riemenscheiben
Motor
Sistema eléctrico
Bastidor y piezas complementarias
Manillares y accesorios
Cables Bowden
Ruedas
Servicio
Petróleo y química
Accesorios
Cascos y ropa
Vespa Primavera 50 Touring IGET (4-tiempos, 2018, ZAPCA0100) 11 Zol
Despiece
Adhesivos
Amortiguador trasero
Arranque
Basculante
Batería
Bomba de aceite
Caballete central
cable bowden
Carcasa acelerador
Carcasa de motor
Chasis
Cigüeñal
Cilindro
Culata
Cúpula
Depósito de combustible
Engranaje
Escape
Escudo frontal
Faro
Fijación basculante
Filtro de aire
Freno delantero
Freno trasero
Guantera
Guardabarros
Horquilla rueda delantera
Hueco casco
Interruptor
Juego cerraduras
Manillar
Mazo de cables
Motor
Piloto trasero
Polea conducida - embrague
Portaequipajes delantero
Portaequipajes trasero
Portamatrículas
Regulador
Reposapiés
Retrovisor
Rueda delantera
Rueda trasera
Sillín
Tablero de instrumentos
Tapa carcasa de motor
Tapa cárter encendido
Tapa deflector cilindro
Tapa lateral
Tapa manillar
Variador
Volante magnético
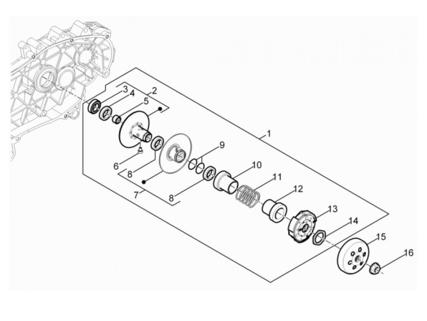
Polea conducida - embrague
Vespa Primavera 50 Touring IGET (4-tiempos, 2018, ZAPCA0100) 11 Zol
Nombre del componente
Junta
(1)
Asiento de muelle
(2)
Muelle de contrapresión
(1)
Rodamiento de bolas
(2)
Tuerca
(3)
Pasador guía
(1)
Polea de correa
(2)
Circlip
(1)
Retén de aceite
(1)
Fabricante
OEM-Qualität
(4)
Piaggio
(9)
SKF
(1)
Ordenar
Relevancia
Precios ascendentes
Precios en descenso
Marca A-Z
Marca Z-A
Novedades
Piaggio
GP479552
Polea fija del convertidor de par -PIAGGIO- Vespa ET2 50 (ZAPC12000, ZAPC16000, ZAPC38100), Vespa ET4 50 50 (ZAPC26000, ZAPC26100), Vespa LX 50 (ZAPC38101, ZAPC38104, ZAPC38300, ZAPC38400, ZAPC38700, ZAPC38900), Vespa LXV 50 (ZAPC38102, ZAPC38902), Vespa
Piaggio
GP827893
Convertidor -PIAGGIO- Vespa ET2 50 (ZAPC12000, ZAPC16000, ZAPC38100), Vespa ET4 50 50 (ZAPC26000, ZAPC26100), Vespa LX 50 (ZAPC38101, ZAPC38104, ZAPC38300, ZAPC38400, ZAPC38700, ZAPC38900), Vespa LXV 50 (ZAPC38102, ZAPC38902), Vespa Primavera 50 (ZAPC5310
Piaggio
GP478028
Muelle de contrapresión -PIAGGIO- Vespa ET2, ET4 50, LX 50, LXV 50, S 50, Primavera 50, Sprint 50, Piaggio Fly 50, Free 50-100, Liberty 50, NRG, NTT, Quartz, Sfera 50 RST, TPH 50, Zip SP, Zip II 50
Piaggio
1487935
Porta muelle contrapresión lado embrague -PIAGGIO- Piaggio 50 ccm 2 tiempos/4 tiempos
SKF
17X25X18
Rodamiento de agujas -HK 1718- (17x25x18mm) - (utilizado para convertidor Minarelli 50 ccm (tipo MA, MY, CW, CA, CY), Piaggio 50 ccm 2 tiempos, Piaggio 50-100 ccm 4 tiempos)
Piaggio
GP82655R
Rodamiento de bolas -6901 LU- (12x24x6mm)
Piaggio
1483443
Retenedor del muelle de contrapresión en el lado del convertidor de par -PIAGGIO- Piaggio 50 ccm 2 tiempos/4 tiempos
Piaggio
GP289950
Anillo de junta del eje -PIAGGIO- 34x39x3mm - para polea móvil del convertidor de par - Vespa GTS 125-150, 946 125-150, LX 50-150, LXV 50-150, S 50-150, Primavera 50-150, Sprint 50-150, ET2, Piaggio NRG, Free 50-100, Fly 50-125
Piaggio
GP289840
Junta tórica para convertidor de par -PIAGGIO- Vespa GTS 125 (ZAPMA3100, ZAPMA3200, ZAPMA3700, ZAPMD3200), Vespa GTS 150 (ZAPMA3200, ZAPMA3100), Vespa GTS Super 125 (ZAPMA3100, ZAPMA3200, ZAPMA3700, ZAPMD3200), Vespa LT 150 (RP8M66603), Vespa LX 125 (ZAPM
OEM-Qualität
H72895196
Tuerca con brida (diente de trinquete) -DIN 6923- M10 x 1,25 (utilizada para cigüeñal (lado de accionamiento) Piaggio 50 ccm, Minarelli 50 ccm)
OEM-Qualität
1289519
Tuerca con brida -DIN 6923- M10 x 1,25 (utilizada para cigüeñal (lado motor) Piaggio 50 ccm, campana de embrague Piaggio 50-100 ccm 4 tiempos, Piaggio 125 ccm 4 tiempos (1ª generación) - ET4 125, HABANA125, LIBERTY125, MOJITO125, SFERA125, TORPEDO125
OEM-Qualität
R25256
Tuerca de acoplamiento -M28 x 1- Llave de 34 mm
Piaggio
1482766
Convertidor de par de bloque deslizante -PIAGGIO- Piaggio 50cm 2 tiempos (excepto Sfera (NSL1T) y Zip (SSL1T)), Piaggio 50-100 ccm 4 tiempos
OEM-Qualität
7676620
Anillo Seeger -BORING DIN472- Ø=24mm - (usado para Vespa Wideframe VM, VB, VL, VNA, VBA, GS150 / GS3, GL pole wheel)
×