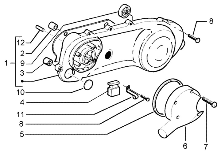
Tapa carcasa de motor
Piaggio NRG 50 Power Purejet (2005, ZAPC45200)
Ordenar