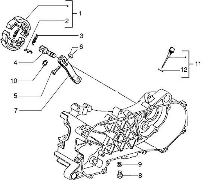
Zapatas de freno trasero
Gilera Runner 50 DD (1998, ZAPC14000)
Ordenar