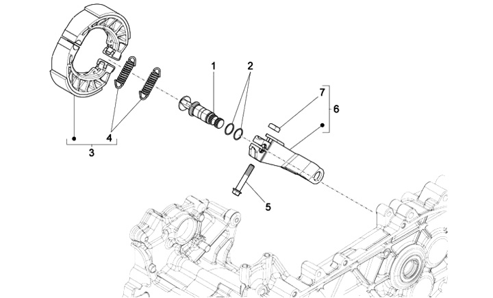
Zapatas de freno trasero
Vespa Sprint 125 Sport ABS (2015, ZAPM81300)
Ordenar