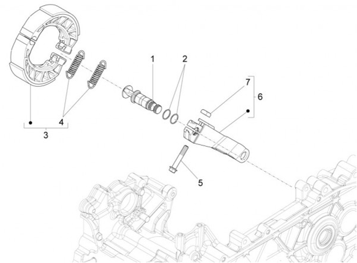
Zapatas de freno trasero
Vespa Sprint 125 (2014, ZAPM81301)
Ordenar