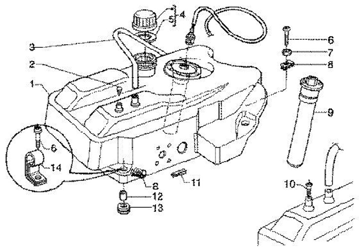
Bahan Bakar
Piaggio Hexagon 180 GTX Super (1999, ZAPM20000)
Urutkan