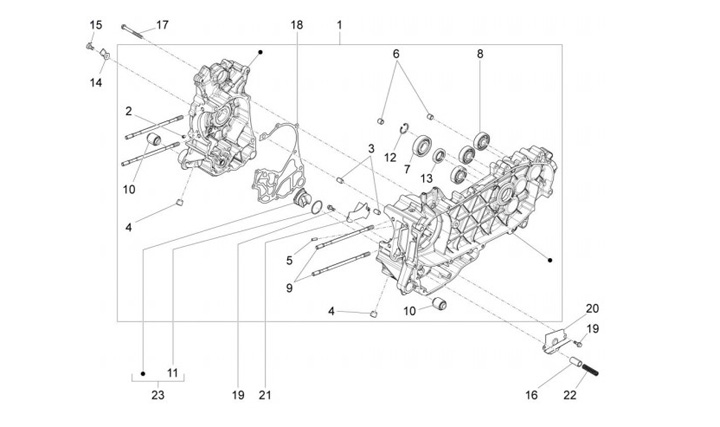
Kasing Kurbel
Vespa Primavera 125 (2015, ZAPM81101)
Urutkan