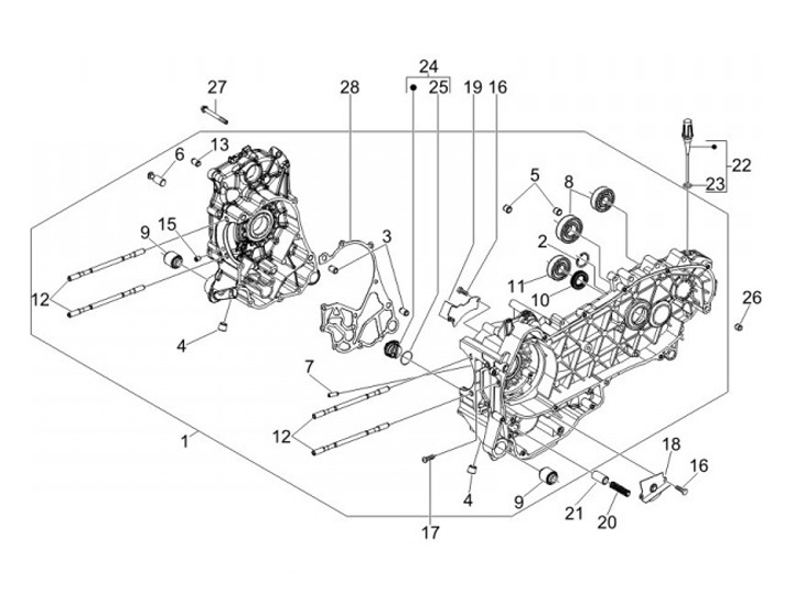
Kasing Kurbel
Vespa GTV 250 (2007, ZAPM45102)
Urutkan