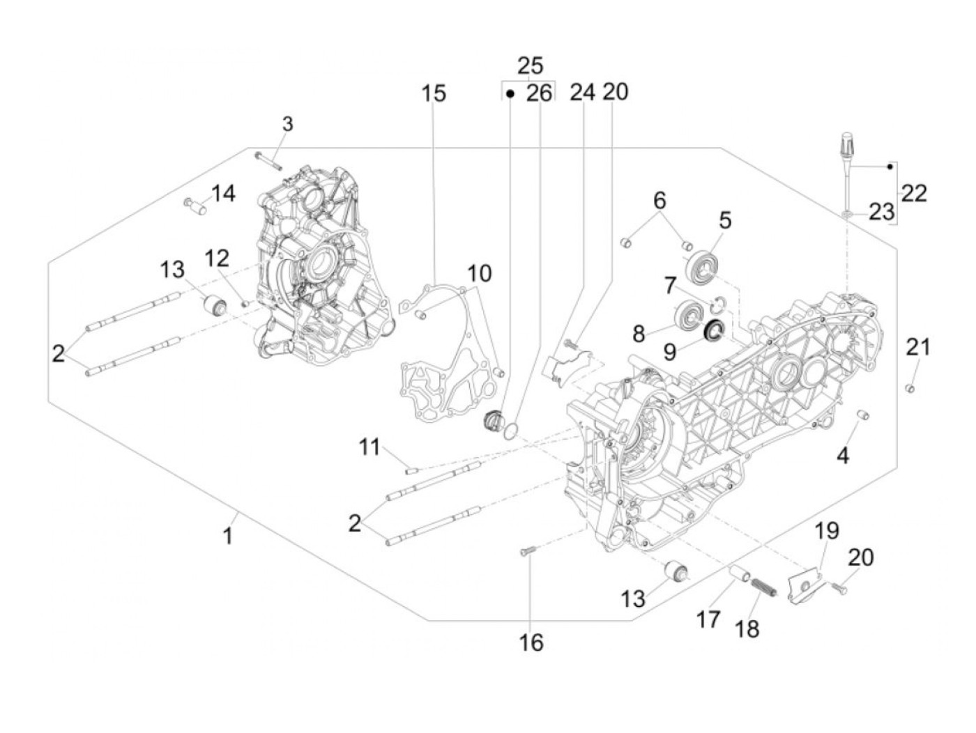
Kasing Kurbel
Vespa GTS 300 Touring (2015, ZAPM45200)
Urutkan