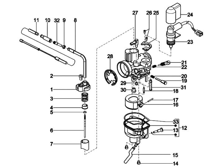
Komponen Karburator I
Piaggio NRG 50 Power DT (2005, ZAPC45300)
Urutkan