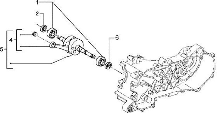
Bantalan bola -PIAGGIO (25x68x12mm - 483970 - 431320) - (digunakan untuk poros engkol Piaggio 125-180 ccm Maxi 2-tak - Gilera Runner FX / FXR 125-180, Italjet Dragster 125-180, Piaggio SKR125, SKR150, TPH125, Skipper125, Skipper150, Hexagon LX / LXT 125-1