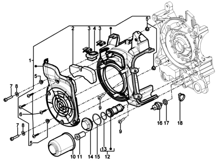
Oli Filter
Piaggio TPH 125 (2011, LBMM70100)
Urutkan