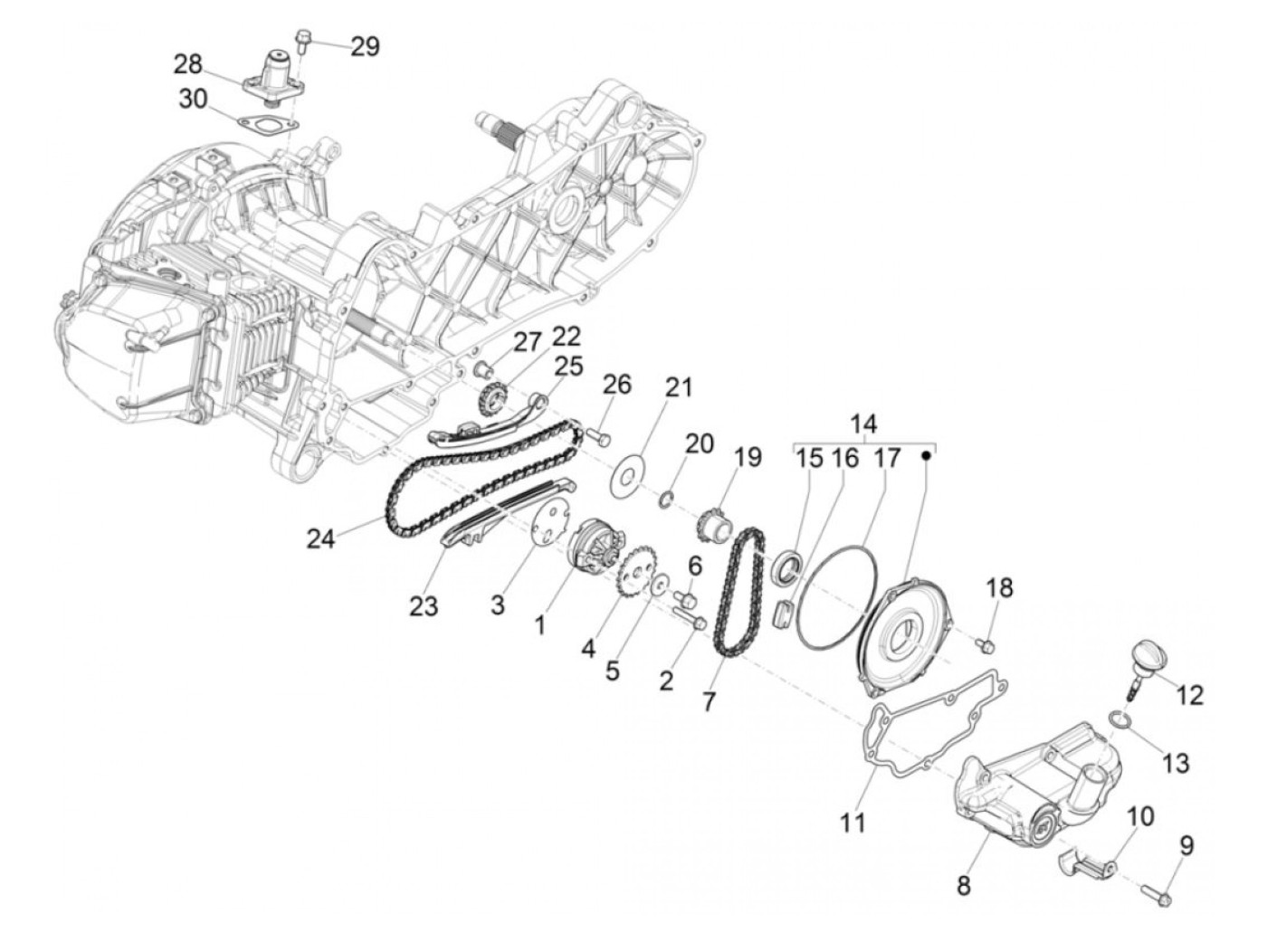
Oli Pompa
Vespa Primavera 50 Basic IGET (4-tak, 2018, ZAPCA0102) 12 Zoll
Urutkan