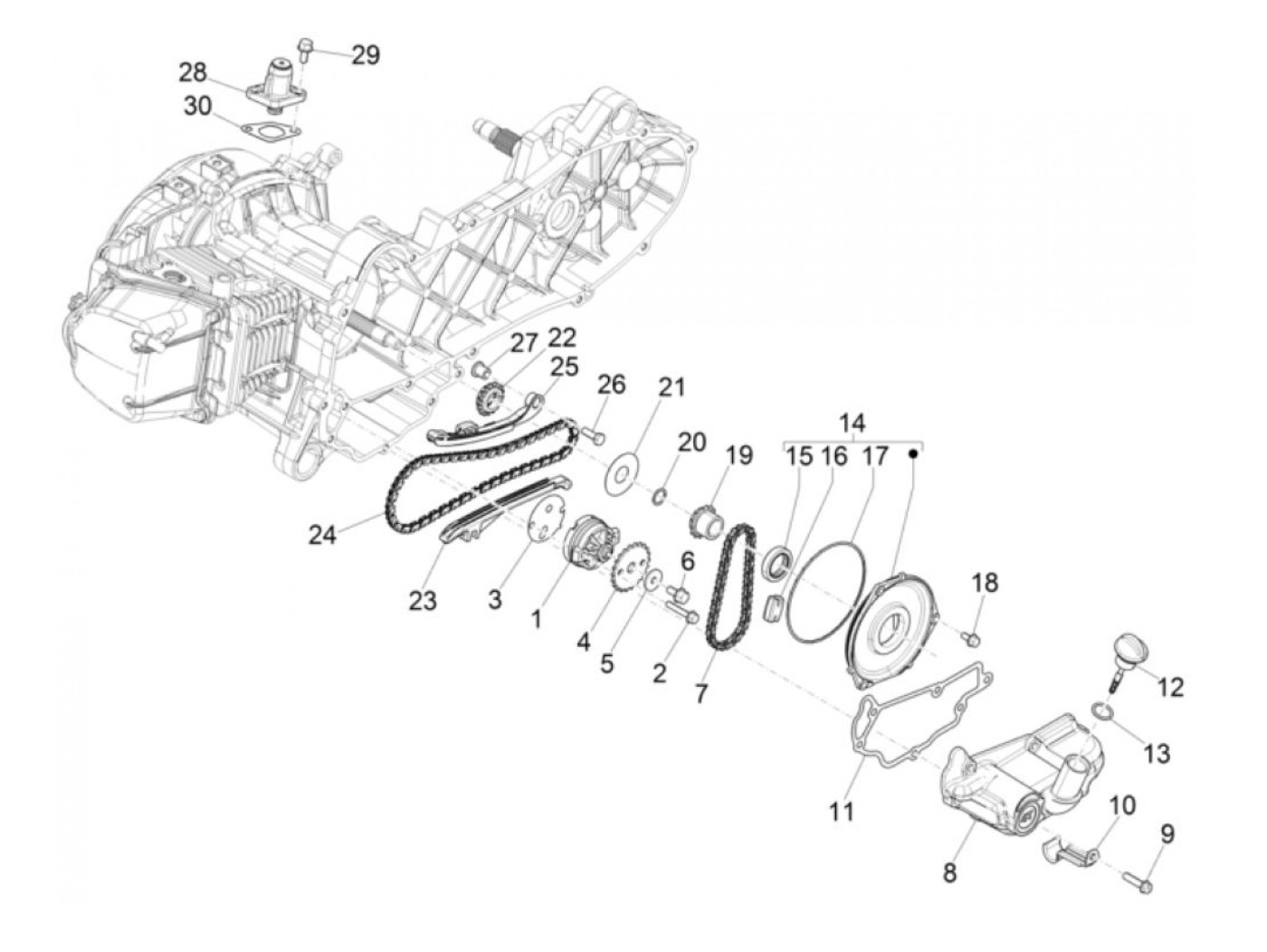
Oli Pompa
Vespa Sprint 50 IGET (4-tak, 2019-2020, ZAPCA0203) Notte
Urutkan