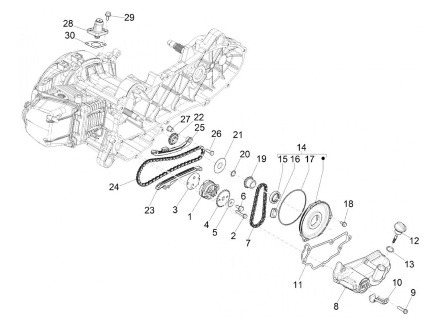
Oli Pompa
Vespa Primavera 50 Touring IGET (4-tak, 2021, ZAPCD020) 25km/h
Urutkan