Sangat baik
4.7 / 5
Pengiriman hari ini dengan pesanan di 11 h 25 min
Gratis ongkos kirim mulai dari 99 € (DE)
Kepuasan pelanggan yang tinggi
Kontak
|
Privasi
|
AGB & Info Pelanggan
|
Jejak
Pengiriman hari ini dengan pesanan di 11 h 25 min
Blog
DE | €
Garasi saya
Lupa kata sandi Anda?
masuk
Membuat akun pelanggan baru
0
Semua
Mesin
Mulai dari Mesin
Berkendara
Gearbox
Karburator
Knalpot
Kopling
Manifold & diafragma intake
Motor
Motor & perumahan
Pemula
Pendinginan
Pengapian
Poros engkol
Revisi Set
Saringan udara
Segel
Sekrup & bagian kecil
Silinder
Sistem injeksi
Sistem kelistrikan
Mulai dari Sistem kelistrikan
Baterai
Busi
Colokkan
Instrumen
Kabel
Motor starter
Pencahayaan
Pengapian & alternator
Regulator, penyearah
Sakelar
Sekrup & bagian kecil
Sumber cahaya
Bingkai & bagian tambahan
Mulai dari Bingkai & bagian tambahan
Bagian panel
Bantalan kepala kemudi
Dudukan utama & samping
Garpu
Huruf
Jok
Peredam kejut
Sekrup & bagian kecil
Sistem bahan bakar
Setang & alat kelengkapan
Mulai dari Setang & alat kelengkapan
Bagian setang & fairing
Cermin
Gagang pemindah gas
Instrumen
Menangani
Rem & kopling
Sakelar
Sekrup & bagian kecil
Kabel bowden
Mulai dari Kabel bowden
Elemen kontrol
Kabel speedometer
Penarikan & pemasangan kabel
Penggerak Tacho
Puting penjepit & sekrup penyetel
Saluran rem
Roda
Mulai dari Roda
Ban
Katup & bagian kecil
Rem
Roda
Selang
Velg
Layanan
Mulai dari Layanan
Alat
Filter
Minyak
Sabuk-V
Set
Minyak & Kimia
Mulai dari Minyak & Kimia
Bahan pengoperasian
Gemuk & Pelumas
Minyak
Perekat
Perlengkapan bengkel
Pernis & Warna
Produk perawatan & pembersih
Sealant
Aksesori
Mulai dari Aksesori
Aksesoris Khusus
Anginan
Bagasi
Drosselkatup & Pembatas Putaran
Kantong
Literatur: Sastra
Merchandise
Pemegang Ponsel & Aksesoris
Peralatan Bengkel
Perlindungan dari pencurian
Sturzbügel
TopCase
Helm & Pakaian
Mulai dari Helm & Pakaian
Aksesoris
Helm
Jaket & Celana
Kacamata & Visor
Kaos & Kemeja
Sarung Tangan
Voucher
Tips hari ini
Normfest
Pembersih rem -NORMFEST MC1- 500ml
4,90 €*
Vespa Klassik
Mesin
Mulai dari Mesin
Berkendara
Gearbox
Karburator
Knalpot
Kopling
Manifold & diafragma intake
Motor
Motor & perumahan
Pemula
Pendinginan
Pengapian
Poros engkol
Saringan udara
Segel
Sekrup & bagian kecil
Set revisi
Silinder
Sistem Elektrik
Mulai dari Sistem Elektrik
Baterai
Busi
Colokkan
Instrumen
Kabel
Motor starter
Pencahayaan
Pengapian & alternator
Regulator, penyearah
Sakelar
Sekrup & bagian kecil
Sumber cahaya
Rangka
Mulai dari Rangka
Bagian panel
Bangku
Bantalan kepala kemudi
Dudukan utama & samping
Garpu
Huruf
Peredam kejut
Sekrup & bagian kecil
Sistem bahan bakar
Setang
Mulai dari Setang
Bagian setang & fairing
Cermin
Gagang pemindah gas
Instrumen
Menangani
Rem & kopling
Sakelar
Sekrup & bagian kecil
Bowden Kabel
Mulai dari Bowden Kabel
Elemen kontrol
Kabel speedometer
Penarikan & pemasangan kabel
Penggerak Tacho
Puting penjepit & sekrup penyetel
Saluran rem
Roda
Mulai dari Roda
Ban
Katup & bagian kecil
Pelek
Rem
Roda
Selang
Servis
Mulai dari Servis
Alat
Filter
Minyak
Set
Oli & Kimia
Mulai dari Oli & Kimia
Bahan pengoperasian
Gemuk & Pelumas
Minyak
Perekat
Perlengkapan bengkel
Pernis & Warna
Produk perawatan & pembersih
Sealant
Aksesoris
Mulai dari Aksesoris
Aksesori khusus
Barang dagangan
Bilah kecelakaan
Literatur
Pembawa bagasi
Peralatan bengkel
Perisai angin
Tas
Tempat & aksesori ponsel
TopCase
Helm & Pakaian
Mulai dari Helm & Pakaian
Aksesori
Helm
Jaket & celana panjang
Kacamata & pelindung
Kaos & Kemeja
Sarung tangan
Tips hari ini
Atas
BGM PRO
Roda -BGM Pro Superstrong tubeless 2.10-10 inci aluminium- Vespa V50, 50N, Special, PV, ET3, PK50-125 (S/XL/XL2), PX, T5, Sprint, Rally, GT/GTR, LML Star, Deluxe, Stella - matt hitam
89,00 €*
Vespa Modern
Mesin
Mulai dari Mesin
Berkendara
Gearbox
Karburator
Knalpot
Kopling
Manifold & diafragma intake
Motor
Motor & perumahan
Pemula
Pendinginan
Pengapian
Poros engkol
Saringan udara
Segel
Sekrup & bagian kecil
Set revisi
Silinder
Sistem injeksi
Sistem kelistrikan
Mulai dari Sistem kelistrikan
Baterai
Busi
Colokkan
Instrumen
Kabel
Motor starter
Pencahayaan
Pengapian & alternator
Regulator, penyearah
Sakelar
Sekrup & bagian kecil
Sumber cahaya
Bingkai & bagian tambahan
Mulai dari Bingkai & bagian tambahan
Bagian panel
Bantalan kepala kemudi
Dudukan utama & samping
Garpu
Huruf
Jok
Peredam kejut
Sekrup & bagian kecil
Sistem bahan bakar
Setang & alat kelengkapan
Mulai dari Setang & alat kelengkapan
Bagian setang & fairing
Cermin
Gagang pemindah gas
Instrumen
Menangani
Rem & kopling
Sakelar
Sekrup & bagian kecil
Kabel bowden
Mulai dari Kabel bowden
Elemen kontrol
Kabel speedometer
Penarikan & pemasangan kabel
Penggerak Tacho
Puting penjepit & sekrup penyetel
Saluran rem
Roda
Mulai dari Roda
Ban
Katup & bagian kecil
Pelek
Rem
Roda
Selang
Layanan
Mulai dari Layanan
Alat
Filter
Minyak
Pembersih
Sabuk-V
Set
Minyak & Kimia
Mulai dari Minyak & Kimia
Bahan pengoperasian
Kepadatan
Minyak
Pelumas & Oli
Perekat
Perlengkapan bengkel
Pernis & Warna
Produk perawatan & pembersih
Aksesori
Mulai dari Aksesori
Aksesoris Khusus
Anti-Pencurian
Bagasi
Barang dagangan
Bilah kecelakaan
Pemegang Ponsel & Aksesoris
Peralatan Bengkel
Perisai angin
Sastra: Sastra
Tas
TopCase
Helm & Pakaian
Mulai dari Helm & Pakaian
Aksesori
Helm
Jaket & celana panjang
Kacamata & pelindung
Kaos & Kemeja
Sarung Tangan
Tips hari ini
Malossi
Variator -MALOSSI- Multivar 2000 - Vespa GTS HPE 310, Piaggio MP3 HPE 310, Royal Alloy GP 350, TG 350
135,00 €*
Moped Klassik
Mesin
Mulai dari Mesin
Berkendara
Gearbox
Karburator
Knalpot
Kopling
Manifold & diafragma intake
Motor & perumahan
Pemula
Pendinginan
Pengapian
Poros engkol
Saringan udara
Segel
Sekrup & bagian kecil
Set revisi
Silinder
Sistem kelistrikan
Mulai dari Sistem kelistrikan
Baterai
Busi
Colokkan
Instrumen
Kabel
Pencahayaan
Pengapian & alternator
Regulator, penyearah
Sakelar
Sekrup & bagian kecil
Sumber cahaya
Rangka
Mulai dari Rangka
Bagian panel
Bangku
Bantalan kepala kemudi
Dudukan utama & samping
Garpu
Huruf
Peredam kejut
Sekrup & bagian kecil
Sistem bahan bakar
Setang & alat kelengkapan
Mulai dari Setang & alat kelengkapan
Bagian setang & fairing
Cermin
Gagang pemindah gas
Instrumen
Menangani
Rem & kopling
Sakelar
Sekrup & bagian kecil
Kabel bowden
Mulai dari Kabel bowden
Elemen kontrol
Kabel speedometer
Penarikan & pemasangan kabel
Penggerak Tacho
Puting penjepit & sekrup penyetel
Roda
Mulai dari Roda
Ban
Katup & bagian kecil
Pelek
Rem
Roda
Selang
Layanan
Mulai dari Layanan
Alat
Filter
Minyak
Minyak & Kimia
Mulai dari Minyak & Kimia
Bahan pengoperasian
Minyak
Pelumas & Oli
Perekat
Perlengkapan bengkel
Pernis & Warna
Produk perawatan & pembersih
Sealant
Aksesori
Mulai dari Aksesori
Aksesori khusus
Barang dagangan
Literatur
Pembawa bagasi
Peralatan bengkel
Perlindungan dari pencurian
Tas
Helm & Pakaian
Mulai dari Helm & Pakaian
Aksesori
Helm
Kaos & Kemeja
Sarung tangan
Tips hari ini
Schmitt
Kit silinder Schmitt Sportfreund Vertex Edition 50cc untuk Simson S51 KR512 SR50
265,00 €*
Lambretta
Mesin
Mulai dari Mesin
Berkendara
Gearbox
Karburator
Kickstarter
Knalpot
Kopling
Manifold & diafragma intake
Motor & perumahan
Pendinginan
Pengapian
Poros engkol
Saringan udara
Segel
Sekrup & bagian kecil
Set revisi
Silinder
Sistem kelistrikan
Mulai dari Sistem kelistrikan
Baterai
Busi
Colokkan
Instrumen
Memanfaatkan kabel
Pencahayaan
Pengapian & alternator
Regulator & penyearah
Sakelar
Sekrup & bagian kecil
Sumber cahaya
Bingkai & bagian tambahan
Mulai dari Bingkai & bagian tambahan
Bagian panel
Bangku
Bantalan kepala kemudi
Berdiri
Garpu
Huruf
Peredam kejut
Sekrup & bagian kecil
Sistem bahan bakar
Setang & alat kelengkapan
Mulai dari Setang & alat kelengkapan
Bagian setang & fairing
Cermin
Gagang pemindah gas
Instrumen
Menangani
Rem & kopling
Sakelar
Sekrup & bagian kecil
Kabel bowden
Mulai dari Kabel bowden
Elemen kontrol
Kabel speedometer
Penarikan & pemasangan kabel
Penggerak Tacho
Puting penjepit & sekrup penyetel
Saluran rem
Roda
Mulai dari Roda
Ban
Katup & bagian kecil
Pelek
Rem
Roda
Selang
Layanan
Mulai dari Layanan
Alat
Minyak
Pembersih
Set
Minyak & Kimia
Mulai dari Minyak & Kimia
Bahan pengoperasian
Gemuk & Pelumas
Minyak
Perekat
Perlengkapan bengkel
Pernis & Warna
Produk perawatan & pembersih
Sealant
Aksesori
Mulai dari Aksesori
Aksesori khusus
Barang dagangan
Bilah kecelakaan
Literatur
Pembawa bagasi
Peralatan bengkel
Perisai angin
Perlindungan dari pencurian
Tas
Tempat & aksesori ponsel
Helm & Pakaian
Mulai dari Helm & Pakaian
Aksesori
Helm
Jaket & celana panjang
Kaos & Kemeja
Sarung tangan
Tips hari ini
BGM PRO
Knalpot -BGM PRO MZ30 Franspeed oleh Andy Francis Skuter- Lambretta Seri 3 - tanpa peredam suara - hitam - LI 125, LI 150, LiS 125, LiS 150, TV 175, SX, TV, GT, GP 125, 150, 200
439,00 €*
Scooter 50-850ccm
Mesin
Mulai dari Mesin
Ansaugpipa & Membran
Filter Udara
Karburator
Karet
Knalpot
Kopling
Kruk As
Mesin
Mesin Motor
Pending
Penggerak
Penyalaan
Revisi Set
Sekrup & Bagian Kecil
Silinder
Sistem Injeksi
Starter Kickstarter
Transmisi
Sistem kelistrikan
Mulai dari Sistem kelistrikan
Baterai
Busik-busik
Instrumenta
Kabel
Lampu
Penerangan
Regulator, Rectifier
Saklar
Sekrup & Bagian Kecil
Sistem Pengapian & Dinamo
Soket
Starter
Bingkai & bagian tambahan
Mulai dari Bingkai & bagian tambahan
Bagian panel
Bangku
Bantalan kepala kemudi
Dudukan utama & samping
Garpu
Huruf
Peredam kejut
Sekrup & bagian kecil
Sistem bahan bakar
Setang & alat kelengkapan
Mulai dari Setang & alat kelengkapan
Bagian setang & fairing
Cermin
Gagang pemindah gas
Instrumen
Menangani
Rem & kopling
Sakelar
Sekrup & bagian kecil
Kabel bowden
Mulai dari Kabel bowden
Elemen kontrol
Kabel speedometer
Penarikan & pemasangan kabel
Penggerak Tacho
Puting penjepit & sekrup penyetel
Rem Cakram
Roda
Mulai dari Roda
Ban
Katup & bagian kecil
Pelek
Rem
Roda
Selang
Layanan
Mulai dari Layanan
Alat
Filter
Minyak
Pembersih
Sabuk V
Set
Minyak & Kimia
Mulai dari Minyak & Kimia
Bahan Bakar
Gemuk & Pelumas
Oli
Perekat
Perlengkapan bengkel
Pernis & Warna
Produk perawatan & pembersih
Sealant
Aksesori
Mulai dari Aksesori
Aksesori khusus
Barang dagangan
Drosselkatup & Pembatas Putaran
Literatur
Pembawa bagasi
Pemegang Ponsel & Aksesoris
Peralatan bengkel
Perisai angin
Perlindungan dari pencurian
Sturzbügel
Tas
TopCase
Helm & Pakaian
Mulai dari Helm & Pakaian
Aksesori
Helm
Jaket & Celana
Kacamata & Visor
Kaos & Kemeja
Sarung Tangan
Tips hari ini
Ferodo
Kopling -FERODO- Piaggio 125-150 ccm 2-tak - Gilera Runner 125 (ZAPM07000), Piaggio Hexagon 125 (EXS1T, ZAPM05000), Piaggio Hexagon 150 (EXV1T), Piaggio Skipper 125 (ZAPM12000), Piaggio Skipper 150 (ZAPM13000), Piaggio SKR 125 (CSM1T), Piaggio SKR 150
125,00 €*
Piaggio 125/150/180 2T AC/LC
Hexagon 125 LX (1998, ZAPM05000)
Bremszange vorn
Mesin
Sistem kelistrikan
Bingkai & bagian tambahan
Setang & alat kelengkapan
Kabel bowden
Roda
Layanan
Minyak & Kimia
Aksesori
Helm & Pakaian
Piaggio Hexagon 125 (1998-2000, ZAPM05000)
Tampilan yang meledak
Air Pump
Bagasi
Bahan Bakar
Bahan Bakar
Baterai
Belakang
Depan
Depan Shock Breaker
Dinamo
Elektris Peralatan
Entluftekalengan
Gaszug
Gepenggerak Roda Gigi Sabuk
Instrumentengruppe - Pelindung Kaca Depan
Jok
Kabel - Regulator - Koil
Kaki Penutup
Kaki Tengah - Kaki Samping
Karburator
Karburator Komponen
Karet
Kasing Kurbel
Kepala Silinder
Kickstarter
Knalpot
Kopling
Kulingan
Kunci Kontak - Saklar Pengapian
Kurbelas
Lampu Depan
Lenkerpenutup - Spionbelakang
Motor - Kalimat Motor
Oli Pompa
Oli Tangki
Panas Angin
Pelindung Kaki Dalam
Pending Tank
Plat Nomor
Radgehäuse - Sayap Belakang
Radiator - Kipas
Rangka
Rem Cakram Belakang
Rem Cakram Depan
Rem Cermin
Roda Depan
Saklar - Klakson
Schwingenabdeckung
Setang
Setang - Silinder Rem Utama Kanan
Setir Lager Pengganti
Silinder - Piston
Sisi Atas
Sisi Bawah
Sistem Penggantung Belakang
Starter Motor
Tachometer Shaft - Rear Brake Cable - Front Brake Line
Transmisi
Tutup Rumah
Udara Filter
Variabel Riemenpulley
Vorderradpusat
Rem Cakram Depan
Piaggio Hexagon 125 (1998-2000, ZAPM05000)
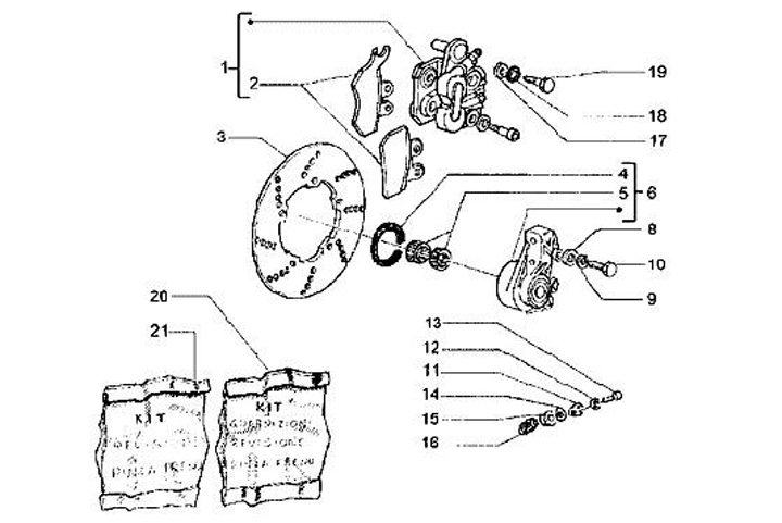
Nama komponen
Bremsbeläge
(1)
Bremsscheibe
(1)
Federring
(2)
Gummiteil
(1)
Kugellager
(1)
Revisionskit
(1)
Schraube
(1)
Tachoantrieb
(1)
Unterlegscheibe
(2)
Wellendichtring
(1)
Produsen
BGM PRO
(1)
INA
(1)
Normfest
(3)
Piaggio
(6)
Polini
(1)
VMC
(1)
Urutkan
Relevansi
Harga naik
Harga turun
Merek A-Z
Merek Z-A
Hal-hal baru
VMC
VMC1629
Cakram rem -VMC Floating Disc Ø200x97mm 5o- Cakram Vespa PX (1998-), Primavera 50-150cc, Sprint 50-150, LX50-150, LXV50-125, S50-150, ET2, ET4, PIAGGIO Fly 125-150, Sfera 50 RST, Zip 50 SP, Sfera 125 4T, Grimeca Classic NT, LML Star
Piaggio
GP494685
Kit perbaikan - pegas dan baut -PIAGGIO- Gilera Runner (Grimeca)
Tanggal pengiriman
Polini
P1740017
Bantalan rem -POLINI 76.8x41.8/94.5x42mm- Gilera Runner 125-200 FX/FXR/VX/VXR dengan kaliper rem Grimeca (pin 9mm), APRILIA MX Supermotard 50cc 2002 (v), Pegaso 650cc 1994-1997 (v), RS Replika 50cc 1999 (v), RX 125cc 1995 (v), RX C, CD 1
INA
3331068
Bantalan rol jarum -HK 2216- (22x28x16mm) - (versi ekstra lebar, digunakan untuk pelat jangkar rem depan Vespa PX (dari tahun 1982), T5 125cc, Cosa, PK S, PK XL, PK XL2)
Tanggal pengiriman
BGM PRO
BGM269118
Piringan penutup penggerak speedometer -BGM Original- Vespa LX, S, GTV, ET4, Piaggio Hexagon, Sfera RST, Quartz, ZIP II, ZIP SP, Hexagon
Piaggio
9000073
Cacing speedo -PIAGGIO- 12 gigi, l = 29mm 2.7mm persegi (digunakan pada Vespa LX, LXV, S, GT, GTL, GTS 125-300, ET2, ET4, Piaggio Zip SP, SKR, Kuarsa, Sfera RST, Hexagon LX, Hexagon LXT, Hexagon GT, GTX)
Piaggio
3820009
Segel poros 46x56x4mm - (digunakan untuk penggerak speedo Vespa PX (1984-), T5 125cc, Cosa, PK, Gilera Fuoco, Piaggio Hexagon, MP3, Sfera, SKR, Kuarsa, Zip SP, Vespa ET2, ET4, GT125, GTL, GTS125, GTV, LX, LXV, S)
Piaggio
GP266841
Kabel speedometer karet/pelat jangkar rem -PIAGGIO- Vespa LX
Piaggio
GP319532
Sekrup soket segi enam -PIAGGIO DIN 912- M8 x 18 (kekuatan 8,8) - digunakan sebagai sekrup kaliper rem / sekrup kaliper rem Vespa S, LX, GT, GTV, GTS, Primavera, 946, Sprint
Normfest
9901082B
Mesin cuci -DIN 125- M8 - galvanis hitam
Piaggio
GP709047
Mesin cuci M8x15mm d = 1.0mm -PIAGGIO-
Normfest
9901053
Mesin cuci pegas -DIN 127- M5
Normfest
077694
Mesin cuci pegas - DIN 7980 untuk sekrup M8
×
×