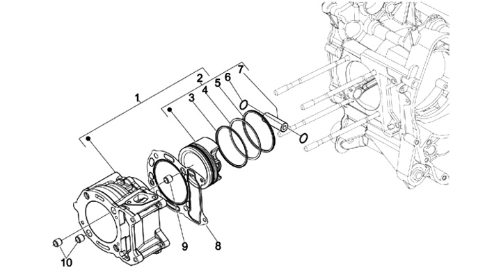
Silinder
Vespa GTS 125ie Super ABS (2015, ZAPM45301) 742-B
Urutkan