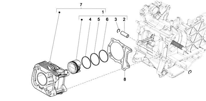
Silinder
Vespa Sprint 125 Sport ABS (2014, ZAPM81301)
Urutkan