Sangat baik
4.7 / 5
Pengiriman hari ini dengan pesanan di 8 h 51 min
Gratis ongkos kirim mulai dari 99 € (DE) Kepuasan pelanggan yang tinggi
Kontak |Privasi |AGB & Info Pelanggan |Jejak
Pengiriman hari ini dengan pesanan di 8 h 51 min
Vespa GT 125 L (2005, ZAPM31101) | Tampilan yang meledak Vespa GT 125 L (2005, ZAPM31101) | Tampilan yang meledak
Blog DE DE  |  €
Garasi saya
Lupa kata sandi Anda?
Membuat akun pelanggan baru
0
  • Semua
    • Mesin
      Mulai dari Mesin
      • Berkendara
      • Gearbox
      • Karburator
      • Knalpot
      • Kopling
      • Manifold & diafragma intake
      • Motor
      • Motor & perumahan
      • Pemula
      • Pendinginan
      • Pengapian
      • Poros engkol
      • Revisi Set
      • Saringan udara
      • Segel
      • Sekrup & bagian kecil
      • Silinder
      • Sistem injeksi
    • Sistem kelistrikan
      Mulai dari Sistem kelistrikan
      • Baterai
      • Busi
      • Colokkan
      • Instrumen
      • Kabel
      • Motor starter
      • Pencahayaan
      • Pengapian & alternator
      • Regulator, penyearah
      • Sakelar
      • Sekrup & bagian kecil
      • Sumber cahaya
    • Bingkai & bagian tambahan
      Mulai dari Bingkai & bagian tambahan
      • Bagian panel
      • Bantalan kepala kemudi
      • Dudukan utama & samping
      • Garpu
      • Huruf
      • Jok
      • Peredam kejut
      • Sekrup & bagian kecil
      • Sistem bahan bakar
    • Setang & alat kelengkapan
      Mulai dari Setang & alat kelengkapan
      • Bagian setang & fairing
      • Cermin
      • Gagang pemindah gas
      • Instrumen
      • Menangani
      • Rem & kopling
      • Sakelar
      • Sekrup & bagian kecil
    • Kabel bowden
      Mulai dari Kabel bowden
      • Elemen kontrol
      • Kabel speedometer
      • Penarikan & pemasangan kabel
      • Penggerak Tacho
      • Puting penjepit & sekrup penyetel
      • Saluran rem
    • Roda
      Mulai dari Roda
      • Ban
      • Katup & bagian kecil
      • Rem
      • Roda
      • Selang
      • Velg
    • Layanan
      Mulai dari Layanan
      • Alat
      • Filter
      • Minyak
      • Sabuk-V
      • Set
    • Minyak & Kimia
      Mulai dari Minyak & Kimia
      • Bahan pengoperasian
      • Gemuk & Pelumas
      • Minyak
      • Perekat
      • Perlengkapan bengkel
      • Pernis & Warna
      • Produk perawatan & pembersih
      • Sealant
    • Aksesori
      Mulai dari Aksesori
      • Aksesoris Khusus
      • Anginan
      • Bagasi
      • Drosselkatup & Pembatas Putaran
      • Kantong
      • Literatur: Sastra
      • Merchandise
      • Pemegang Ponsel & Aksesoris
      • Peralatan Bengkel
      • Perlindungan dari pencurian
      • Sturzbügel
      • TopCase
    • Helm & Pakaian
      Mulai dari Helm & Pakaian
      • Aksesoris
      • Helm
      • Jaket & Celana
      • Kacamata & Visor
      • Kaos & Kemeja
      • Sarung Tangan
    • Voucher
    Tips hari ini
    Pembersih rem -NORMFEST MC1- 500ml
    Normfest
    Pembersih rem -NORMFEST MC1- 500ml
    4,90 €*
  • Vespa Klassik
    • Mesin
      Mulai dari Mesin
      • Berkendara
      • Gearbox
      • Karburator
      • Knalpot
      • Kopling
      • Manifold & diafragma intake
      • Motor
      • Motor & perumahan
      • Pemula
      • Pendinginan
      • Pengapian
      • Poros engkol
      • Saringan udara
      • Segel
      • Sekrup & bagian kecil
      • Set revisi
      • Silinder
    • Sistem Elektrik
      Mulai dari Sistem Elektrik
      • Baterai
      • Busi
      • Colokkan
      • Instrumen
      • Kabel
      • Motor starter
      • Pencahayaan
      • Pengapian & alternator
      • Regulator, penyearah
      • Sakelar
      • Sekrup & bagian kecil
      • Sumber cahaya
    • Rangka
      Mulai dari Rangka
      • Bagian panel
      • Bangku
      • Bantalan kepala kemudi
      • Dudukan utama & samping
      • Garpu
      • Huruf
      • Peredam kejut
      • Sekrup & bagian kecil
      • Sistem bahan bakar
    • Setang
      Mulai dari Setang
      • Bagian setang & fairing
      • Cermin
      • Gagang pemindah gas
      • Instrumen
      • Menangani
      • Rem & kopling
      • Sakelar
      • Sekrup & bagian kecil
    • Bowden Kabel
      Mulai dari Bowden Kabel
      • Elemen kontrol
      • Kabel speedometer
      • Penarikan & pemasangan kabel
      • Penggerak Tacho
      • Puting penjepit & sekrup penyetel
      • Saluran rem
    • Roda
      Mulai dari Roda
      • Ban
      • Katup & bagian kecil
      • Pelek
      • Rem
      • Roda
      • Selang
    • Servis
      Mulai dari Servis
      • Alat
      • Filter
      • Minyak
      • Set
    • Oli & Kimia
      Mulai dari Oli & Kimia
      • Bahan pengoperasian
      • Gemuk & Pelumas
      • Minyak
      • Perekat
      • Perlengkapan bengkel
      • Pernis & Warna
      • Produk perawatan & pembersih
      • Sealant
    • Aksesoris
      Mulai dari Aksesoris
      • Aksesori khusus
      • Barang dagangan
      • Bilah kecelakaan
      • Literatur
      • Pembawa bagasi
      • Peralatan bengkel
      • Perisai angin
      • Tas
      • Tempat & aksesori ponsel
      • TopCase
    • Helm & Pakaian
      Mulai dari Helm & Pakaian
      • Aksesori
      • Helm
      • Jaket & celana panjang
      • Kacamata & pelindung
      • Kaos & Kemeja
      • Sarung tangan
    Tips hari ini
    Roda -BGM Pro Superstrong tubeless 2.10-10 inci aluminium- Vespa V50, 50N, Special, PV, ET3, PK50-125 (S/XL/XL2), PX, T5, Sprint, Rally, GT/GTR, LML Star, Deluxe, Stella - matt hitam
    Atas
    BGM PRO
    Roda -BGM Pro Superstrong tubeless 2.10-10 inci aluminium- Vespa V50, 50N, Special, PV, ET3, PK50-125 (S/XL/XL2), PX, T5, Sprint, Rally, GT/GTR, LML Star, Deluxe, Stella - matt hitam
    89,00 €*
  • Vespa Modern
    • Mesin
      Mulai dari Mesin
      • Berkendara
      • Gearbox
      • Karburator
      • Knalpot
      • Kopling
      • Manifold & diafragma intake
      • Motor
      • Motor & perumahan
      • Pemula
      • Pendinginan
      • Pengapian
      • Poros engkol
      • Saringan udara
      • Segel
      • Sekrup & bagian kecil
      • Set revisi
      • Silinder
      • Sistem injeksi
    • Sistem kelistrikan
      Mulai dari Sistem kelistrikan
      • Baterai
      • Busi
      • Colokkan
      • Instrumen
      • Kabel
      • Motor starter
      • Pencahayaan
      • Pengapian & alternator
      • Regulator, penyearah
      • Sakelar
      • Sekrup & bagian kecil
      • Sumber cahaya
    • Bingkai & bagian tambahan
      Mulai dari Bingkai & bagian tambahan
      • Bagian panel
      • Bantalan kepala kemudi
      • Dudukan utama & samping
      • Garpu
      • Huruf
      • Jok
      • Peredam kejut
      • Sekrup & bagian kecil
      • Sistem bahan bakar
    • Setang & alat kelengkapan
      Mulai dari Setang & alat kelengkapan
      • Bagian setang & fairing
      • Cermin
      • Gagang pemindah gas
      • Instrumen
      • Menangani
      • Rem & kopling
      • Sakelar
      • Sekrup & bagian kecil
    • Kabel bowden
      Mulai dari Kabel bowden
      • Elemen kontrol
      • Kabel speedometer
      • Penarikan & pemasangan kabel
      • Penggerak Tacho
      • Puting penjepit & sekrup penyetel
      • Saluran rem
    • Roda
      Mulai dari Roda
      • Ban
      • Katup & bagian kecil
      • Pelek
      • Rem
      • Roda
      • Selang
    • Layanan
      Mulai dari Layanan
      • Alat
      • Filter
      • Minyak
      • Pembersih
      • Sabuk-V
      • Set
    • Minyak & Kimia
      Mulai dari Minyak & Kimia
      • Bahan pengoperasian
      • Kepadatan
      • Minyak
      • Pelumas & Oli
      • Perekat
      • Perlengkapan bengkel
      • Pernis & Warna
      • Produk perawatan & pembersih
    • Aksesori
      Mulai dari Aksesori
      • Aksesoris Khusus
      • Anti-Pencurian
      • Bagasi
      • Barang dagangan
      • Bilah kecelakaan
      • Pemegang Ponsel & Aksesoris
      • Peralatan Bengkel
      • Perisai angin
      • Sastra: Sastra
      • Tas
      • TopCase
    • Helm & Pakaian
      Mulai dari Helm & Pakaian
      • Aksesori
      • Helm
      • Jaket & celana panjang
      • Kacamata & pelindung
      • Kaos & Kemeja
      • Sarung Tangan
    Tips hari ini
    Variator -MALOSSI- Multivar 2000 - Vespa GTS HPE 310, Piaggio MP3 HPE 310, Royal Alloy GP 350, TG 350
    Malossi
    Variator -MALOSSI- Multivar 2000 - Vespa GTS HPE 310, Piaggio MP3 HPE 310, Royal Alloy GP 350, TG 350
    135,00 €*
  • Moped Klassik
    • Mesin
      Mulai dari Mesin
      • Berkendara
      • Gearbox
      • Karburator
      • Knalpot
      • Kopling
      • Manifold & diafragma intake
      • Motor & perumahan
      • Pemula
      • Pendinginan
      • Pengapian
      • Poros engkol
      • Saringan udara
      • Segel
      • Sekrup & bagian kecil
      • Set revisi
      • Silinder
    • Sistem kelistrikan
      Mulai dari Sistem kelistrikan
      • Baterai
      • Busi
      • Colokkan
      • Instrumen
      • Kabel
      • Pencahayaan
      • Pengapian & alternator
      • Regulator, penyearah
      • Sakelar
      • Sekrup & bagian kecil
      • Sumber cahaya
    • Rangka
      Mulai dari Rangka
      • Bagian panel
      • Bangku
      • Bantalan kepala kemudi
      • Dudukan utama & samping
      • Garpu
      • Huruf
      • Peredam kejut
      • Sekrup & bagian kecil
      • Sistem bahan bakar
    • Setang & alat kelengkapan
      Mulai dari Setang & alat kelengkapan
      • Bagian setang & fairing
      • Cermin
      • Gagang pemindah gas
      • Instrumen
      • Menangani
      • Rem & kopling
      • Sakelar
      • Sekrup & bagian kecil
    • Kabel bowden
      Mulai dari Kabel bowden
      • Elemen kontrol
      • Kabel speedometer
      • Penarikan & pemasangan kabel
      • Penggerak Tacho
      • Puting penjepit & sekrup penyetel
    • Roda
      Mulai dari Roda
      • Ban
      • Katup & bagian kecil
      • Pelek
      • Rem
      • Roda
      • Selang
    • Layanan
      Mulai dari Layanan
      • Alat
      • Filter
      • Minyak
    • Minyak & Kimia
      Mulai dari Minyak & Kimia
      • Bahan pengoperasian
      • Minyak
      • Pelumas & Oli
      • Perekat
      • Perlengkapan bengkel
      • Pernis & Warna
      • Produk perawatan & pembersih
      • Sealant
    • Aksesori
      Mulai dari Aksesori
      • Aksesori khusus
      • Barang dagangan
      • Literatur
      • Pembawa bagasi
      • Peralatan bengkel
      • Perlindungan dari pencurian
      • Tas
    • Helm & Pakaian
      Mulai dari Helm & Pakaian
      • Aksesori
      • Helm
      • Kaos & Kemeja
      • Sarung tangan
    Tips hari ini
    Kit silinder Schmitt Sportfreund Vertex Edition 50cc untuk Simson S51 KR512 SR50
    Schmitt
    Kit silinder Schmitt Sportfreund Vertex Edition 50cc untuk Simson S51 KR512 SR50
    265,00 €*
  • Lambretta
    • Mesin
      Mulai dari Mesin
      • Berkendara
      • Gearbox
      • Karburator
      • Kickstarter
      • Knalpot
      • Kopling
      • Manifold & diafragma intake
      • Motor & perumahan
      • Pendinginan
      • Pengapian
      • Poros engkol
      • Saringan udara
      • Segel
      • Sekrup & bagian kecil
      • Set revisi
      • Silinder
    • Sistem kelistrikan
      Mulai dari Sistem kelistrikan
      • Baterai
      • Busi
      • Colokkan
      • Instrumen
      • Memanfaatkan kabel
      • Pencahayaan
      • Pengapian & alternator
      • Regulator & penyearah
      • Sakelar
      • Sekrup & bagian kecil
      • Sumber cahaya
    • Bingkai & bagian tambahan
      Mulai dari Bingkai & bagian tambahan
      • Bagian panel
      • Bangku
      • Bantalan kepala kemudi
      • Berdiri
      • Garpu
      • Huruf
      • Peredam kejut
      • Sekrup & bagian kecil
      • Sistem bahan bakar
    • Setang & alat kelengkapan
      Mulai dari Setang & alat kelengkapan
      • Bagian setang & fairing
      • Cermin
      • Gagang pemindah gas
      • Instrumen
      • Menangani
      • Rem & kopling
      • Sakelar
      • Sekrup & bagian kecil
    • Kabel bowden
      Mulai dari Kabel bowden
      • Elemen kontrol
      • Kabel speedometer
      • Penarikan & pemasangan kabel
      • Penggerak Tacho
      • Puting penjepit & sekrup penyetel
      • Saluran rem
    • Roda
      Mulai dari Roda
      • Ban
      • Katup & bagian kecil
      • Pelek
      • Rem
      • Roda
      • Selang
    • Layanan
      Mulai dari Layanan
      • Alat
      • Minyak
      • Pembersih
      • Set
    • Minyak & Kimia
      Mulai dari Minyak & Kimia
      • Bahan pengoperasian
      • Gemuk & Pelumas
      • Minyak
      • Perekat
      • Perlengkapan bengkel
      • Pernis & Warna
      • Produk perawatan & pembersih
      • Sealant
    • Aksesori
      Mulai dari Aksesori
      • Aksesori khusus
      • Barang dagangan
      • Bilah kecelakaan
      • Literatur
      • Pembawa bagasi
      • Peralatan bengkel
      • Perisai angin
      • Perlindungan dari pencurian
      • Tas
      • Tempat & aksesori ponsel
    • Helm & Pakaian
      Mulai dari Helm & Pakaian
      • Aksesori
      • Helm
      • Jaket & celana panjang
      • Kaos & Kemeja
      • Sarung tangan
    Tips hari ini
    Knalpot -BGM PRO MZ30 Franspeed oleh Andy Francis Skuter- Lambretta Seri 3 - tanpa peredam suara - hitam - LI 125, LI 150, LiS 125, LiS 150, TV 175, SX, TV, GT, GP 125, 150, 200
    BGM PRO
    Knalpot -BGM PRO MZ30 Franspeed oleh Andy Francis Skuter- Lambretta Seri 3 - tanpa peredam suara - hitam - LI 125, LI 150, LiS 125, LiS 150, TV 175, SX, TV, GT, GP 125, 150, 200
    439,00 €*
  • Scooter 50-850ccm
    • Mesin
      Mulai dari Mesin
      • Ansaugpipa & Membran
      • Filter Udara
      • Karburator
      • Karet
      • Knalpot
      • Kopling
      • Kruk As
      • Mesin
      • Mesin Motor
      • Pending
      • Penggerak
      • Penyalaan
      • Revisi Set
      • Sekrup & Bagian Kecil
      • Silinder
      • Sistem Injeksi
      • Starter Kickstarter
      • Transmisi
    • Sistem kelistrikan
      Mulai dari Sistem kelistrikan
      • Baterai
      • Busik-busik
      • Instrumenta
      • Kabel
      • Lampu
      • Penerangan
      • Regulator, Rectifier
      • Saklar
      • Sekrup & Bagian Kecil
      • Sistem Pengapian & Dinamo
      • Soket
      • Starter
    • Bingkai & bagian tambahan
      Mulai dari Bingkai & bagian tambahan
      • Bagian panel
      • Bangku
      • Bantalan kepala kemudi
      • Dudukan utama & samping
      • Garpu
      • Huruf
      • Peredam kejut
      • Sekrup & bagian kecil
      • Sistem bahan bakar
    • Setang & alat kelengkapan
      Mulai dari Setang & alat kelengkapan
      • Bagian setang & fairing
      • Cermin
      • Gagang pemindah gas
      • Instrumen
      • Menangani
      • Rem & kopling
      • Sakelar
      • Sekrup & bagian kecil
    • Kabel bowden
      Mulai dari Kabel bowden
      • Elemen kontrol
      • Kabel speedometer
      • Penarikan & pemasangan kabel
      • Penggerak Tacho
      • Puting penjepit & sekrup penyetel
      • Rem Cakram
    • Roda
      Mulai dari Roda
      • Ban
      • Katup & bagian kecil
      • Pelek
      • Rem
      • Roda
      • Selang
    • Layanan
      Mulai dari Layanan
      • Alat
      • Filter
      • Minyak
      • Pembersih
      • Sabuk V
      • Set
    • Minyak & Kimia
      Mulai dari Minyak & Kimia
      • Bahan Bakar
      • Gemuk & Pelumas
      • Oli
      • Perekat
      • Perlengkapan bengkel
      • Pernis & Warna
      • Produk perawatan & pembersih
      • Sealant
    • Aksesori
      Mulai dari Aksesori
      • Aksesori khusus
      • Barang dagangan
      • Drosselkatup & Pembatas Putaran
      • Literatur
      • Pembawa bagasi
      • Pemegang Ponsel & Aksesoris
      • Peralatan bengkel
      • Perisai angin
      • Perlindungan dari pencurian
      • Sturzbügel
      • Tas
      • TopCase
    • Helm & Pakaian
      Mulai dari Helm & Pakaian
      • Aksesori
      • Helm
      • Jaket & Celana
      • Kacamata & Visor
      • Kaos & Kemeja
      • Sarung Tangan
    Tips hari ini
    Kopling -FERODO- Piaggio 125-150 ccm 2-tak - Gilera Runner 125 (ZAPM07000), Piaggio Hexagon 125 (EXS1T, ZAPM05000), Piaggio Hexagon 150 (EXV1T), Piaggio Skipper 125 (ZAPM12000), Piaggio Skipper 150 (ZAPM13000), Piaggio SKR 125 (CSM1T), Piaggio SKR 150
    Ferodo
    Kopling -FERODO- Piaggio 125-150 ccm 2-tak - Gilera Runner 125 (ZAPM07000), Piaggio Hexagon 125 (EXS1T, ZAPM05000), Piaggio Hexagon 150 (EXV1T), Piaggio Skipper 125 (ZAPM12000), Piaggio Skipper 150 (ZAPM13000), Piaggio SKR 125 (CSM1T), Piaggio SKR 150
    125,00 €*
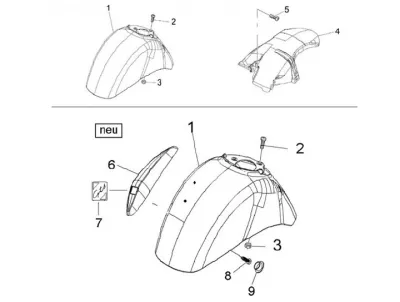
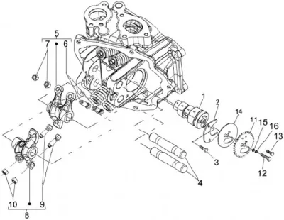
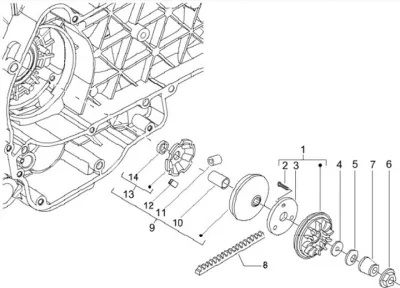
  1. Vespa GTL/GTS/GTV 125/150/200
  2. Vespa GT 125 L (2005, ZAPM31101)
Mesin
Sistem kelistrikan
Bingkai & bagian tambahan
Setang & alat kelengkapan
Kabel bowden
Roda
Layanan
Minyak & Kimia
Aksesori
Helm & Pakaian
Vespa GT 125 L (2005, ZAPM31101)
  • Tampilan yang meledak
    • Air Pump
    • Air Pump - Oil Filter
    • Bagasi
    • Bagasi Belakang
    • Bahan Bakar
    • Bahan Bakar
    • Belakang
    • Bremskaliper - Bremsgaris
    • Chassis
    • Dekorasi
    • Dinamo
    • Gepenggerak Roda Gigi Sabuk
    • Helmkompartemen
    • Instrumentasi
    • Jok
    • Kabelbundel
    • Kaki Penutup
    • Kaki Tengah - Kaki Samping
    • Karburator - Saluran Hisap
    • Karburator Komponen
    • Kasing Kurbel
    • Kaskade - Ornamen
    • Knalpot
    • Knalpot
    • Kunci Kontak - Saklar Pengapian
    • Kurbelas
    • Lampu Belakang - Sein Kepala
    • Lampu Depan - Sein
    • Lenkerpenutup
    • Motor - Kalimat Motor
    • Oli Pompa - Rantai Penggerak
    • Pengatur Jarak Jauh - Baterai - Klakson
    • Plat Nomor
    • Radiator - Kipas
    • Regulator - Kontrol Unit - Koil Penyalaan
    • Roda Depan
    • Saklar - Saklar Penyalaan
    • Setang - Set Bearing Setang
    • Setang - Silinder Rem Utama
    • Silinder - Piston
    • Silinder Kepala - Katup
    • Silinderkepala
    • Sisi Penutup
    • Sistem Penggantung Belakang
    • Sistem Pengisian Udara Samping
    • Spakbor Vorder - Spakbor Belakang
    • Spion Belakang
    • Starter Motor
    • Swingarm
    • Tachometer Shaft
    • Transmisi
    • Tuas Kipp - Nok Welle
    • Tutup Rumah
    • Udara Filter
    • Variabel Riemenpulley
Tampilan yang meledak
Vespa GT 125 L (2005, ZAPM31101)
Air Pump
Air Pump
Air Pump - Oil Filter
Air Pump - Oil Filter
Bagasi
Bagasi
Bagasi Belakang
Bagasi Belakang
Bahan Bakar
Bahan Bakar
Bahan Bakar
Bahan Bakar
Belakang
Belakang
Bremskaliper - Bremsgaris
Bremskaliper - Bremsgaris
Chassis
Chassis
Dekorasi
Dekorasi
Dinamo
Dinamo
Gepenggerak Roda Gigi Sabuk
Gepenggerak Roda Gigi Sabuk
Helmkompartemen
Helmkompartemen
Instrumentasi
Instrumentasi
Jok
Jok
Kabelbundel
Kabelbundel
Kaki Penutup
Kaki Penutup
Kaki Tengah - Kaki Samping
Kaki Tengah - Kaki Samping
Karburator - Saluran Hisap
Karburator - Saluran Hisap
Karburator Komponen
Karburator Komponen
Kasing Kurbel
Kasing Kurbel
Kaskade - Ornamen
Kaskade - Ornamen
Knalpot
Knalpot
Knalpot
Knalpot
Kunci Kontak - Saklar Pengapian
Kunci Kontak - Saklar Pengapian
Kurbelas
Kurbelas
Lampu Belakang - Sein Kepala
Lampu Belakang - Sein Kepala
Lampu Depan - Sein
Lampu Depan - Sein
Lenkerpenutup
Lenkerpenutup
Motor - Kalimat Motor
Motor - Kalimat Motor
Oli Pompa - Rantai Penggerak
Oli Pompa - Rantai Penggerak
Pengatur Jarak Jauh - Baterai - Klakson
Pengatur Jarak Jauh - Baterai - Klakson
Plat Nomor
Plat Nomor
Radiator - Kipas
Radiator - Kipas
Regulator - Kontrol Unit - Koil Penyalaan
Regulator - Kontrol Unit - Koil Penyalaan
Roda Depan
Roda Depan
Saklar - Saklar Penyalaan
Saklar - Saklar Penyalaan
Setang - Set Bearing Setang
Setang - Set Bearing Setang
Setang - Silinder Rem Utama
Setang - Silinder Rem Utama
Silinder - Piston
Silinder - Piston
Silinder Kepala - Katup
Silinder Kepala - Katup
Silinderkepala
Silinderkepala
Sisi Penutup
Sisi Penutup
Sistem Penggantung Belakang
Sistem Penggantung Belakang
Sistem Pengisian Udara Samping
Sistem Pengisian Udara Samping
Spakbor Vorder - Spakbor Belakang
Spakbor Vorder - Spakbor Belakang
Spion Belakang
Spion Belakang
Starter Motor
Starter Motor
Swingarm
Swingarm
Tachometer Shaft
Tachometer Shaft
Transmisi
Transmisi
Tuas Kipp - Nok Welle
Tuas Kipp - Nok Welle
Tutup Rumah
Tutup Rumah
Udara Filter
Udara Filter
Variabel Riemenpulley
Variabel Riemenpulley
Berlangganan ke Scooter Center Buletin
Masukkan alamat email Anda.
Daftar ke buletin kami sekarang dan dapatkan diskon €5 untuk pesanan Anda berikutnya sebesar €50 atau lebih!
Selalu dapatkan informasi terbaru - dengan berita, promosi, dan penawaran eksklusif untuk skuter & penyetelan.
Anda dapat berhenti berlangganan kapan saja. Data Anda tidak akan diberikan kepada pihak ketiga.
Scooter Center
Sangat baik 4.7 / 5
Scooter Center
Tentang kami
Hubungi Kami
Bagaimana cara menghubungi kami
Jam buka
Untuk dealer
Halaman karir
Tanggung jawab kami/ESG
 
Layanan pengiriman
Biaya pengiriman
Metode/harga pembayaran
Pengembalian / Pengembalian
Beli voucher
Pesanan langsung
Tampilan yang meledak
Kendaraan kami
FAQ
Pembayaran dan pengiriman
Sie können im Shop mit paypal zahlen Sie können im Shop per Vorkasse zahlen Sie können im Shop mit Kreditkarte zahlen Sie können im Shop mit klarna zahlen Sie können im Shop mit Google Pay zahlen Sie können im Shop mit Apple Pay zahlen Sie können im Shop per Nachnahme zahlen Sie können im Shop mit Trustly zahlen Sie können im Shop mit Twint zahlen Sie können im Shop mit iDEAL zahlen Sie können im Shop mit bancontact zahlen Sie können im Shop mit Bancomat Pay zahlen Sie können im Shop mit Amex zahlen Sie können im Shop mit BLIK zahlen
Pengiriman gratis mulai dari nilai pesanan 99 euro untuk semua pelanggan akhir di Jerman.
Wir versenden mit DHL Wir versenden mit ups Wir versenden mit DPD Wir versenden mit Fedex Click & Collect
Ausgezeichnet durch das eKomi Siegel
Artikel tanpa TÜV dan ABE kecuali diberi label lain. Waktu pengiriman mengacu pada pengiriman di Jerman.
Semua hak cipta dilindungi undang-undang © 2025 Scooter Center GmbH
Masalah hukum
Kondisi lingkungan Peraturan tentang Komponen Listrik Kecil Hak pembatalan AGB & informasi pelanggan Pengaturan cookie Pemberitahuan hukum Kebijakan Privasi
* termasuk [[LEWATKAN_KATA_0]] Termasuk PPN. ditambah biaya pengiriman