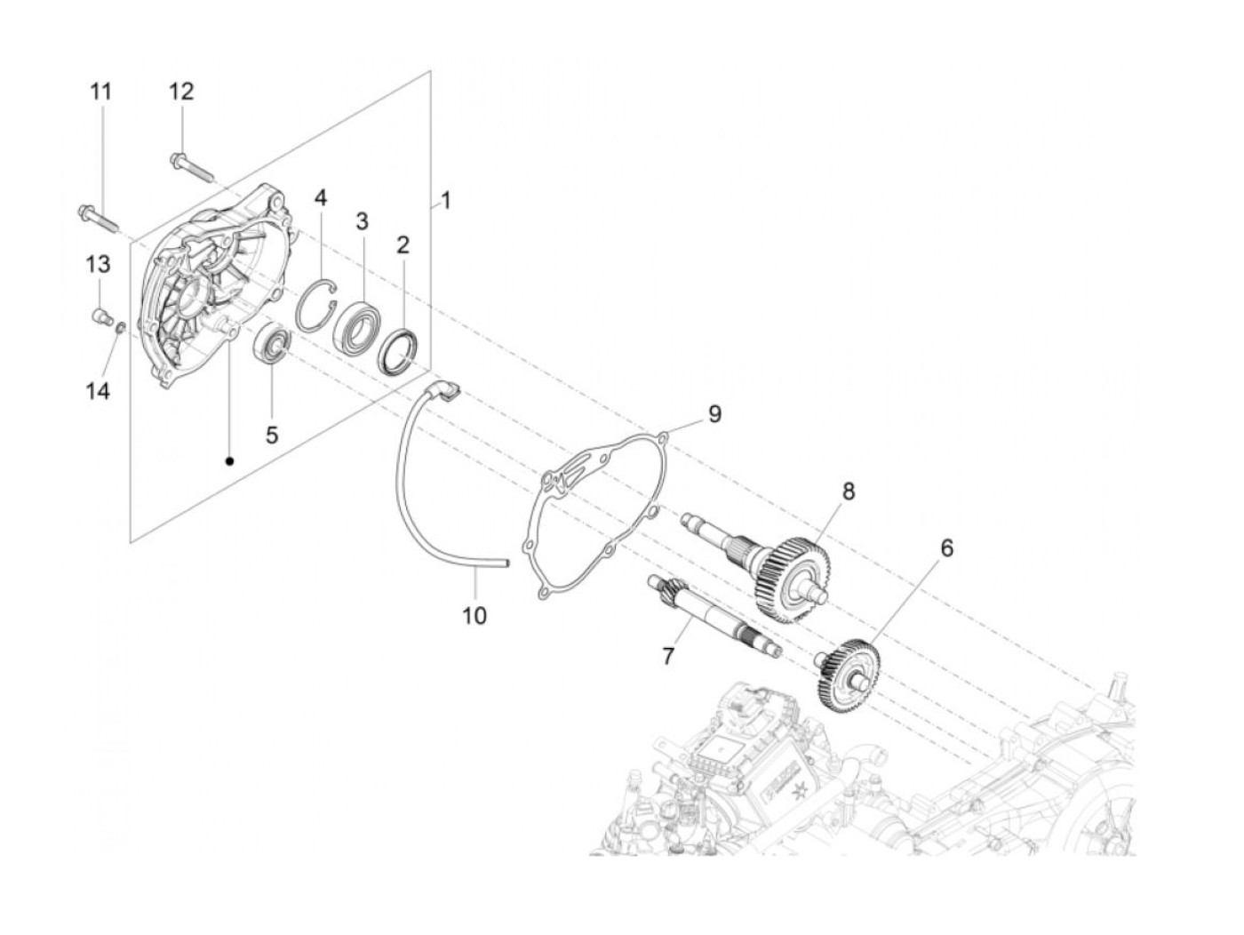
Transmisi
Vespa GTV 300 HPE (2019-2021, ZAPMA3602)
Urutkan