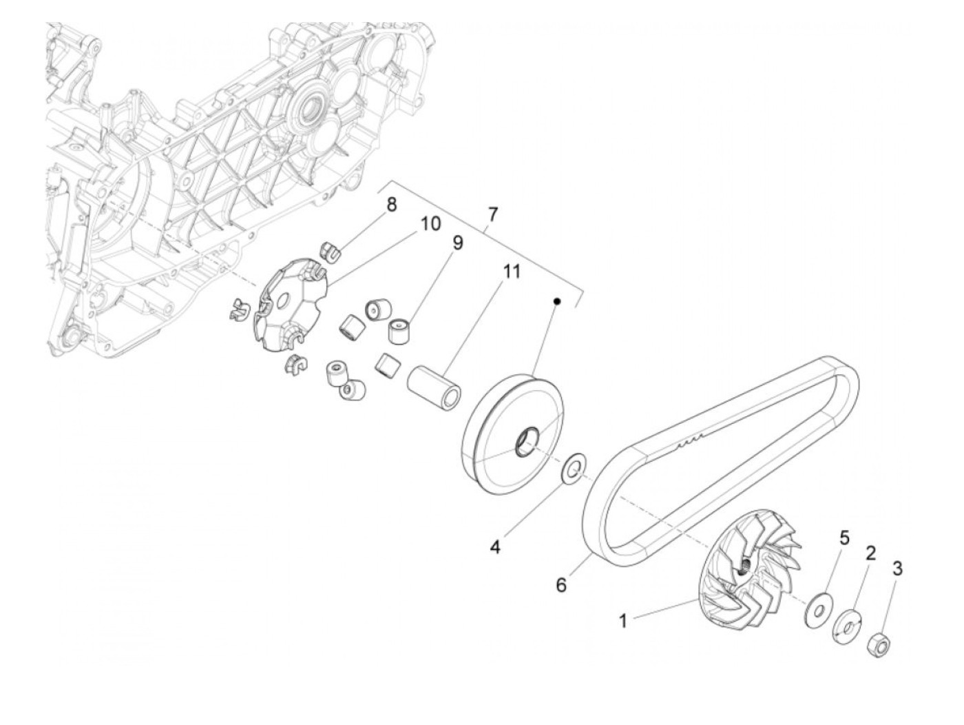
Variabel Riemenpulley
Vespa Primavera 125 IGET Sport (2019-2020, ZAPMA1100)
Urutkan