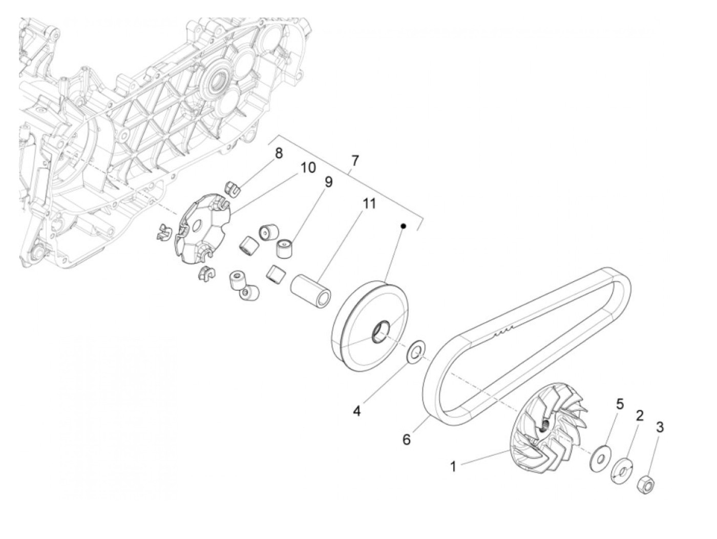
Variabel Riemenpulley
Vespa Sprint 150 IGET Sport (2019-2020, ZAPMA1400)
Urutkan