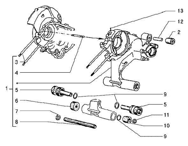
Carter motore
Vespa PX 125 E Lusso (ZAPM09302, 2001-)
Ordinamento