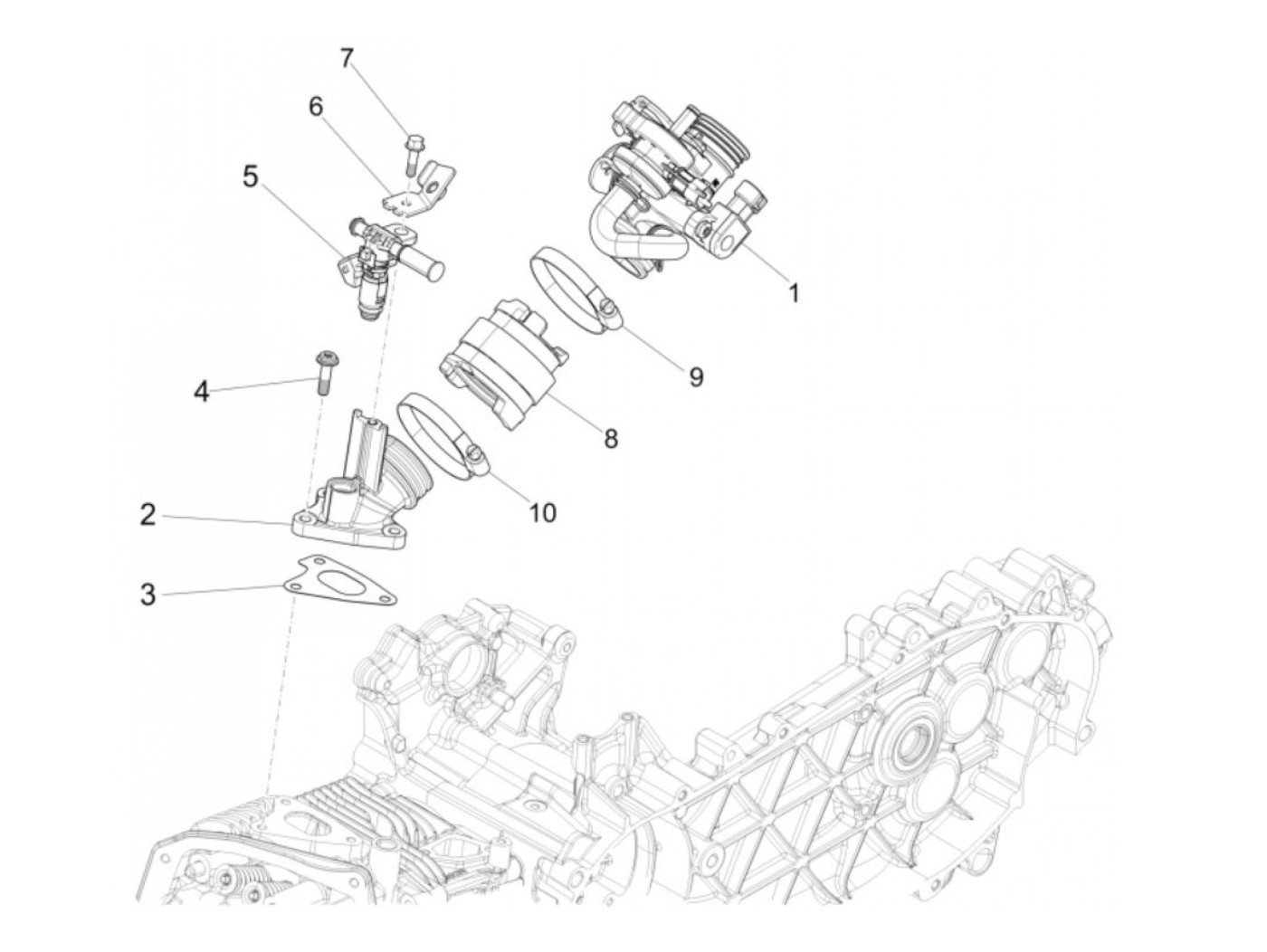
Corpo valvola a farfalla
Vespa Sprint 125 IGET ABS (2019-2020, ZAPMA1300) Racing Sixties
Ordinamento