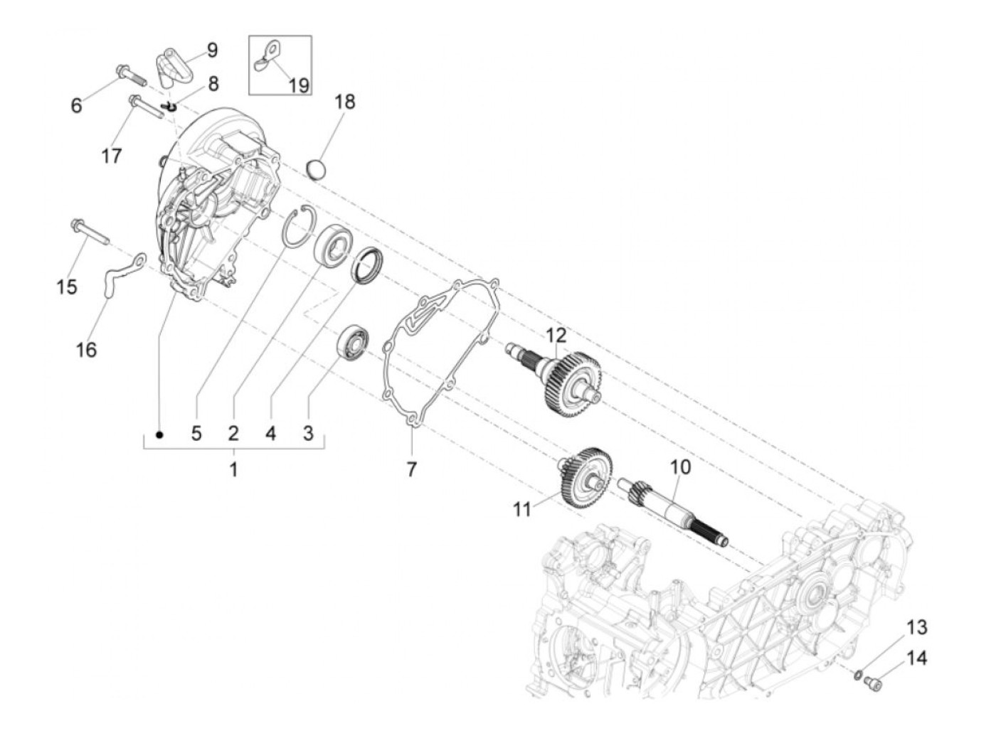
Ingranaggi
Vespa Sprint 150 IGET Sport (2019-2020, ZAPMA1401)
Ordinamento