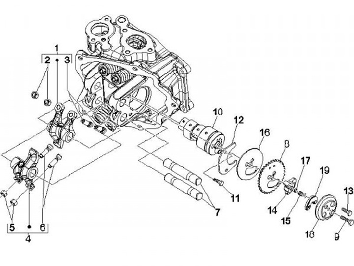
Leva bilanciere - albero a camme
Piaggio Beverly 250ie Sport (2007, ZAPM28800)
Ordinamento