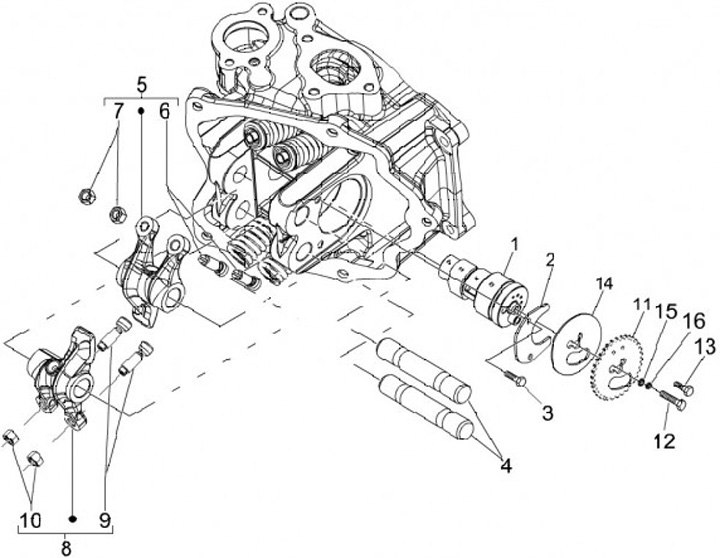
Leva bilanciere - albero a camme
Vespa GTS 125 (2006, ZAPM31300)
Ordinamento