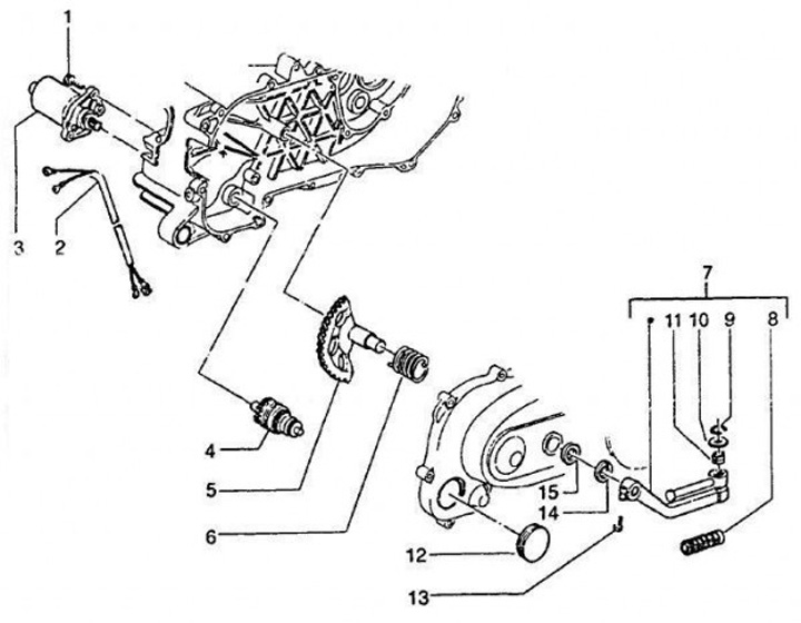
Ruota libera di avviamento -PIAGGIO- Vespa LX 50 (ZAPC38101, ZAPC38400, ZAPC38104), Vespa LXV 50 (ZAPC38102), Vespa Primavera 50 (ZAPC53200), Vespa S 50 (ZAPC38103, ZAPC38402), Vespa Sprint 50 (ZAPC53201), Vespa ET2 50 (ZAPC1600000001001, ZAPC120000000109