molto buono
4.7 / 5
Spedizione oggi con ordine in 9 h 54 min
Spedizione gratuita a partire da 99€ (DE)
Alta soddisfazione del cliente
Contatto
|
Privacy
|
AGB & Info clienti
|
Impronta
Spedizione oggi con ordine in 9 h 54 min
Blog
DE | €
Il mio garage
Dimenticato la password?
accesso
Creare un nuovo account cliente
0
Tutti
Motore
Tutti fuori Motore
Accensione
Albero a gomiti
Avviamento
Cambio
Carburatore
Cilindro
Collettore di aspirazione e diaframma
Filtro dell'aria
Frizione
Guarnizioni
Guida
Motore Carter
Motori
Raffreddamento
Revisionsset
Scarico
Sistema di iniezione
Viti e minuteria
Sistema elettrico
Tutti fuori Sistema elettrico
Accensione e alternatore
Batterie
Candele di accensione
Cavi
Illuminazione
Interruttori
Motore di avviamento
Regolatore, raddrizzatore
Sorgente luminosa
Spina
Strumenti
Viti e minuteria
Telaio e parti aggiuntive
Tutti fuori Telaio e parti aggiuntive
Ammortizzatore
Cavalletto principale e laterale
Cuscinetto della testa dello sterzo
Forchette
Lettering
Parti di rivestimento
Selle
Sistema di alimentazione
Viti e minuteria
Manubri e accessori
Tutti fuori Manubri e accessori
Freno e frizione
Interruttori
Maniglie
Maniglie del cambio a gas
Manubri e parti di carenatura
Specchio
Strumenti
Viti e minuteria
Cavi bowden
Tutti fuori Cavi bowden
Cavi del tachimetro
Elementi di controllo
Nippli di serraggio e viti di regolazione
Tachimetro
Trazioni e set di cavi
Tubi dei freni
Ruote
Tutti fuori Ruote
Cerchi
Freni
Pneumatici
Ruote
Tubi flessibili
Valvole e minuteria
Servizio
Tutti fuori Servizio
Cinghia trapezoidale
Filtri
Oli
Set
Strumento
Olio e chimica
Tutti fuori Olio e chimica
Adesivi
Forniture per il laboratorio
Grassi e lubrificanti
Lacche e colori
Materiali operativi
Oli
Prodotti per la cura e la pulizia
Sigillante
Accessori
Tutti fuori Accessori
Acceleratori e limitatori di giri
Accessori speciali
Attrezzatura per officina
Bauletti
Borse
Manuali & co
Merceologia
Parabrezza
Perimetrali
Portapacchi
Protezione contro i furti
Supporti e accessori per telefoni cellulari
Caschi e abbigliamento
Tutti fuori Caschi e abbigliamento
Accessori
Caschi
Giacche e pantaloni
Guanti
Magliette e camicie
Occhiali e visiere
Buoni
Suggerimento del giorno
%
BGM PRO
Attrezzo rimozione albero ruota anteriore -BGM PRO- Vespa 125 V1-V15, V30-33, VM1-2, VN1, VN2, VNA, VNB , 150 VL, VB, VBA, VBB, VLA1, VGL1, VGLA1, VGLB1, Super, GL, T4, Sprint, GT, GTR, Rally, TS, Motovespa (1959-1964) 125N, 125S, 150S
21,91 €*
24,90 €*
Vespa classica
Motore
Tutti fuori Motore
Accensione
Albero a gomiti
Avviamento
Cambio
Carburatore
Cilindro
Collettore di aspirazione e diaframma
Filtro dell'aria
Frizione
Guarnizioni
Guida
Motore e alloggiamento
Motori
Raffreddamento
Scarico
Set di revisione
Viti e minuteria
Sistema elettrico
Tutti fuori Sistema elettrico
Accensione e alternatore
Batterie
Candele di accensione
Cavi
Illuminazione
Interruttori
Motore di avviamento
Regolatore, raddrizzatore
Sorgente luminosa
Spina
Strumenti
Viti e minuteria
Telaio
Tutti fuori Telaio
Ammortizzatore
Cavalletto principale e laterale
Cuscinetto della testa dello sterzo
Forchette
Lettering
Panchine
Parti di rivestimento
Sistema di alimentazione
Viti e minuteria
Manubrio
Tutti fuori Manubrio
Freno e frizione
Interruttori
Maniglie
Maniglie del cambio a gas
Manubri e parti di carenatura
Specchio
Strumenti
Viti e minuteria
Cavi bowden
Tutti fuori Cavi bowden
Cavi del tachimetro
Elementi di controllo
Nippli di serraggio e viti di regolazione
Tachimetro
Trazioni e set di cavi
Tubi dei freni
Ruote
Tutti fuori Ruote
Cerchi
Freni
Pneumatici
Ruote
Tubi flessibili
Valvole e minuteria
Servizio
Tutti fuori Servizio
Filtri
Oli
Set
Strumento
Olio e chimica
Tutti fuori Olio e chimica
Adesivi
Forniture per il laboratorio
Grassi e lubrificanti
Lacche e colori
Materiali operativi
Oli
Prodotti per la cura e la pulizia
Sigillante
Accessori
Tutti fuori Accessori
Accessori speciali
Attrezzatura da officina
Barra d'urto
Borse
Letteratura
Merce
Portabagagli
Portacellulari e accessori
Schermi antivento
TopCase
Caschi e abbigliamento
Tutti fuori Caschi e abbigliamento
Accessori
Caschi
Giacche e pantaloni
Guanti
Occhiali e visiere
T-shirt e camicie
Suggerimento del giorno
Top
BGM PRO
Coperchio frizione completo -BGM Pro Superstrong CNC Vespa Largeframe (1962-2016)- Vespa PX, T5 125cc, Cosa, Rally, Sprint, VNB4T-VNB6T, VBB2T, VNC1T, VLA1T, VBC1T, VNL2T, VNL3T, argento
169,00 €*
Vespa moderna
Motore
Tutti fuori Motore
Accensione
Albero a gomiti
Avviamento
Cambio
Carburatore
Cilindro
Collettore di aspirazione e diaframma
Filtro dell'aria
Frizione
Guarnizioni
Guida
Motore e alloggiamento
Motori
Raffreddamento
Scarico
Set di revisione
Sistema di iniezione
Viti e minuteria
Sistema elettrico
Tutti fuori Sistema elettrico
Accensione e alternatore
Batterie
Candele di accensione
Cavi
Illuminazione
Interruttori
Motore di avviamento
Regolatore, raddrizzatore
Sorgente luminosa
Spina
Strumenti
Viti e minuteria
Telaio e parti aggiuntive
Tutti fuori Telaio e parti aggiuntive
Ammortizzatore
Cavalletto principale e laterale
Cuscinetto della testa dello sterzo
Forchette
Lettering
Panchine
Parti di rivestimento
Sistema di alimentazione
Viti e minuteria
Manubri e accessori
Tutti fuori Manubri e accessori
Freno e frizione
Interruttori
Maniglie
Maniglie del cambio a gas
Manubri e parti di carenatura
Specchio
Strumenti
Viti e minuteria
Cavi bowden
Tutti fuori Cavi bowden
Cavi del tachimetro
Elementi di controllo
Nippli di serraggio e viti di regolazione
Tachimetro
Trazioni e set di cavi
Tubi dei freni
Ruote
Tutti fuori Ruote
Cerchi
Freni
Pneumatici
Ruote
Tubi flessibili
Valvole e minuteria
Servizio
Tutti fuori Servizio
Attrezzi
Cinghia trapezoidale
Filtri
Oli
Pulitore
Set
Olio e chimica
Tutti fuori Olio e chimica
Adesivi
Fluidi operativi
Forniture per il laboratorio
Grassi e lubrificanti
Lacche e colori
Oli
Prodotti per la cura e la pulizia
Sigillante
Accessori
Tutti fuori Accessori
Accessori speciali
Attrezzatura da officina
Barra d'urto
Borse
Letteratura
Merce
Portabagagli
Portacellulari e accessori
Protezione contro i furti
Schermi antivento
TopCase
Caschi e abbigliamento
Tutti fuori Caschi e abbigliamento
Accessori
Caschi
Giacche e pantaloni
Guanti
Occhiali e visiere
T-shirt e camicie
Suggerimento del giorno
Malossi
Variatore -MALOSSI- Multivar 2000 - Vespa GTS HPE 310, Piaggio MP3 HPE 310, Royal Alloy GP 350, TG 350
135,00 €*
Ciclomotore classico
Motori
Tutti fuori Motori
Accensione
Albero a gomiti
Avviamento
Cambio
Carburatore
Collettore di aspirazione e diaframma
Filtro dell'aria
Frizione
Gruppi termici
Guarnizioni
Guida
Motore e alloggiamento
Raffreddamento
Scarico
Set di revisione
Viti e minuteria
Sistema elettrico
Tutti fuori Sistema elettrico
Accensione e alternatore
Batterie
Candele di accensione
Cavi
illuminazione
Interruttori
Regolatore, raddrizzatore
Sorgente luminosa
Spina
Strumenti
Viti e minuteria
Telaio e parti aggiuntive
Tutti fuori Telaio e parti aggiuntive
Ammortizzatore
Cavalletto principale e laterale
Cuscinetto della testa dello sterzo
Forchette
Lettering
Panchine
Parti di rivestimento
Sistema di alimentazione
Viti e minuteria
Manubri e accessori
Tutti fuori Manubri e accessori
Freno e frizione
Interruttori
Maniglie
Maniglie del cambio a gas
Manubri e parti di carenatura
Specchio
Strumenti
Viti e minuteria
Cavi bowden
Tutti fuori Cavi bowden
Cavi del tachimetro
Elementi di controllo
Nippli di serraggio e viti di regolazione
Tachimetro
Trazioni e set di cavi
Ruote
Tutti fuori Ruote
Cerchi
Freni
Pneumatici
Ruote
Tubi flessibili
Valvole e minuteria
Servizio
Tutti fuori Servizio
Filtri
Oli
Strumento
Olio e chimica
Tutti fuori Olio e chimica
Adesivi
Forniture per il laboratorio
Grassi e lubrificanti
Lacche e colori
Materiali operativi
Oli
Prodotti per la cura e la pulizia
Sigillante
Accessori
Tutti fuori Accessori
Accessori speciali
Attrezzatura da officina
Borse
Letteratura
Merceologia
Portabagagli
Protezione contro i furti
Caschi e abbigliamento
Tutti fuori Caschi e abbigliamento
Accessori
Caschi
Guanti
T-shirt e camicie
Suggerimento del giorno
MC Proparts
Set di boccole -MC Fork Bushing- Bracci oscillanti della forcella del Ciao, per la revisione e la stabilizzazione della ruota anteriore
17,90 €*
Lambretta
Motori
Tutti fuori Motori
Accensione
Albero a gomiti
Cambio
Carburatore
Cilindro
Collettore di aspirazione e diaframma
Filtro dell'aria
Frizione
Guarnizioni
Guida
Kickstarter
Motore e alloggiamento
Raffreddamento
Scarico
Set di revisione
Viti e minuteria
Sistema elettrico
Tutti fuori Sistema elettrico
Accensione e alternatore
Batterie
Cablaggi
Candele di accensione
Illuminazione
Interruttori
Regolatore e raddrizzatore
Sorgente luminosa
Spina
Strumenti
Viti e minuteria
Telaio e parti aggiuntive
Tutti fuori Telaio e parti aggiuntive
Ammortizzatore
Cavalletto principale
Cuscinetto della testa dello sterzo
Forchette
Lettering
Panchine
Parti di rivestimento
Sistema di alimentazione
Viti e minuteria
Manubri e accessori
Tutti fuori Manubri e accessori
Freno e frizione
Interruttori
Maniglie
Maniglie del cambio a gas
Manubri e parti di carenatura
Specchio
Strumenti
Viti e minuteria
Cavi bowden
Tutti fuori Cavi bowden
Cavi del tachimetro
Elementi di controllo
Nippli di serraggio e viti di regolazione
Tachimetro
Trazioni e set di cavi
Tubi dei freni
Ruote
Tutti fuori Ruote
Cerchi
Freni
Pneumatici
Ruote
Tubi flessibili
Valvole e minuteria
Servizio
Tutti fuori Servizio
Oli
Pulitore
Set
Strumento
Olio e chimica
Tutti fuori Olio e chimica
Adesivi
Forniture per il laboratorio
Grassi e lubrificanti
Lacche e colori
Materiali operativi
Oli
Prodotti per la cura e la pulizia
Sigillante
Accessori
Tutti fuori Accessori
Accessori speciali
Attrezzatura da officina
Barra d'urto
Borse
Letteratura
Merce
Portabagagli
Portacellulari e accessori
Protezione contro i furti
Schermi antivento
Caschi e abbigliamento
Tutti fuori Caschi e abbigliamento
Accessori
Caschi
Giacche e pantaloni
Guanti
T-shirt e camicie
Suggerimento del giorno
BGM PRO
Compressore frizione -BGM PRO- Lambretta LI, LIS, SX, TV (serie 2-3), DL, GP, J, Lui
46,90 €*
Scooter 50-850cc
Motore
Tutti fuori Motore
Accensione
Albero motore
Avviamento
Carburatori
Carter motore
Collettore d'aspirazione e valvola lamellare
Filtro aria
Frizione
Gruppi termici
Guarnizioni
Ingranaggi
Marmitta
Motori
Raffreddamento
Revisionsset
Sistema di iniezione
Trasmissione
Viti e piccole parti
Sistema elettrico
Tutti fuori Sistema elettrico
Accensione e alternatore
avviamento
Batterie
Candele accensione
Cavi elettrici
illuminazione
Interruttori
Lampadine
prese e spine
Regolatore, raddrizzatore
Strumenti di visualizzazione
Viti e piccole parti
Telaio e parti aggiuntive
Tutti fuori Telaio e parti aggiuntive
Ammortizzatore
Cavalletto principale e laterale
Cuscinetto della testa dello sterzo
Forchette
Lettering
Panchine
Parti di rivestimento
Sistema di alimentazione
Viti e minuteria
Manubri e accessori
Tutti fuori Manubri e accessori
Freno e frizione
Interruttori
Maniglie
Maniglie del cambio a gas
Manubri e parti di carenatura
Specchio
Strumenti
Viti e minuteria
Cavi bowden
Tutti fuori Cavi bowden
Cavi del tachimetro
Elementi di controllo
Nippli di serraggio e viti di regolazione
Tachimetro
Trazioni e set di cavi
Tubi dei freni
Ruote
Tutti fuori Ruote
Cerchi
Freni
Pneumatici
Ruote
Tubi flessibili
Valvole e minuteria
Servizio
Tutti fuori Servizio
Cinghie trasmissione
Filtri
Oli
Pulitore
Set
Strumento
Olio e chimica
Tutti fuori Olio e chimica
Adesivi
Fluidi operativi
Forniture per il laboratorio
Grassi e lubrificanti
Lacche e colori
Oli
Prodotti per la cura e la pulizia
Sigillante
Accessori
Tutti fuori Accessori
Acceleratori e limitatori di giri
Accessori speciali
Attrezzatura da officina
Borse
Letteratura
Merce
Perimetrali
Portabagagli
Protezione contro i furti
Schermi antivento
Supporti e accessori per telefoni cellulari
TopCase
Caschi e abbigliamento
Tutti fuori Caschi e abbigliamento
Accessori
Caschi
Giacche e pantaloni
Guanti
Occhiali e visiere
T-shirt e camicie
Suggerimento del giorno
Pro Brake
Set leva freno -PRO BRAKE- regolabile - Royal Alloy GP 125-300, TG 125-300 - nero lucido
99,00 €*
Vespa Primavera/Sprint 50
Vespa Sprint 50 IGET (4-Takt. 2022, ZAPCD0101) Justin Bieber
getriebene Riemenscheiben
Motore
Sistema elettrico
Telaio e parti aggiuntive
Manubri e accessori
Cavi bowden
Ruote
Servizio
Olio e chimica
Accessori
Caschi e abbigliamento
Vespa Sprint 50 IGET (4-tempi. 2022, ZAPCD0101) Justin Bieber
Viste esplose
Adesivi
Albero motore
Ammortizzatore posteriore
Avviamento
Batteria
Bauletto anteriore
Braccio oscillante
Cablaggio impianto elettrico completo
Carter motore
Cavalletto centrale
comandi
Coperchio carter motore
Coperchio manubrio
Corpo valvola a farfalla
Cuffia cilindro
Fanale posteriore
Faro anteriore
Fianchetto
Filtro aria
Filtro olio
Forcella ruota anteriore
Gruppo termico
Impianto freno anteriore
Impianto freno posteriore
Ingranaggi
Interruttore
Kit serratura
Manubrio
Marmitta
Motore
Parafango
Pedana
Pompa olio
Portatarga
Protezione dall'evaporazione
Puleggia motrice
Puleggia posteriore - frizione
Regolatore
Rückspiegel
Ruota anteriore
Ruota posteriore
Scudo
Sella
Serbatoio benzina
Sistema d'aria secondario
Statore
Strumentazioni
Supporto per braccio oscillante
Telaio
Testa cilindro
Vano portacasco
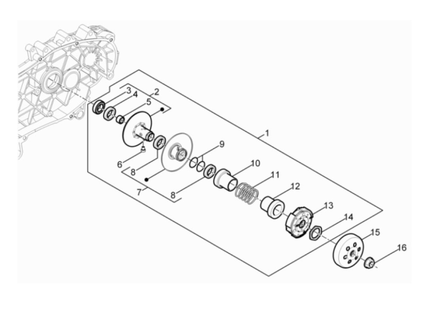
Puleggia posteriore - frizione
Vespa Sprint 50 IGET (4-tempi. 2022, ZAPCD0101) Justin Bieber
Nome del componente
Guarnizione
(1)
Sedile a molla
(2)
Molla di contropressione
(1)
Cuscinetto a sfera
(2)
Dado
(2)
Perno guida puleggia
(1)
Puleggia della cinghia
(2)
Anello di sicurezza
(1)
Paraolio
(1)
Produttore
OEM-Qualität
(3)
Piaggio
(9)
SKF
(1)
Ordinamento
Rilevanza
Prezzi in salita
Prezzi in discesa
Marchio A-Z
Marchio Z-A
Novità
Piaggio
GP479552
Puleggia convertitore di coppia fissa -PIAGGIO- Vespa ET2 50 (ZAPC12000, ZAPC16000, ZAPC38100), Vespa ET4 50 50 (ZAPC26000, ZAPC26100), Vespa LX 50 (ZAPC38101, ZAPC38104, ZAPC38300, ZAPC38400, ZAPC38700, ZAPC38900), Vespa LXV 50 (ZAPC38102, ZAPC38902), Ve
Piaggio
GP827893
Convertitore -PIAGGIO- Vespa ET2 50 (ZAPC12000, ZAPC16000, ZAPC38100), Vespa ET4 50 50 (ZAPC26000, ZAPC26100), Vespa LX 50 (ZAPC38101, ZAPC38104, ZAPC38300, ZAPC38400, ZAPC38700, ZAPC38900), Vespa LXV 50 (ZAPC38102, ZAPC38902), Vespa Primavera 50 (ZAPC531
Piaggio
GP478028
Molla di contropressione -PIAGGIO- Vespa ET2, ET4 50, LX 50, LXV 50, S 50, Primavera 50, Sprint 50, Piaggio Fly 50, Free 50-100, Liberty 50, NRG, NTT, Quartz, Sfera 50 RST, TPH 50, Zip SP, Zip II 50
Piaggio
1487935
Supporto molla di contropressione lato frizione -PIAGGIO- Piaggio 50 ccm 2 tempi/4 tempi
%
SKF
17X25X18
Cuscinetto a rullini -HK 1718- (17x25x18mm) - (utilizzato per convertitore Minarelli 50 ccm (tipo MA, MY, CW, CA, CY), Piaggio 50 ccm 2 tempi, Piaggio 50-100 ccm 4 tempi)
%
Piaggio
GP82655R
Cuscinetto a sfere -6901 LU- (12x24x6mm)
Piaggio
1483443
Fermo della molla di contropressione lato convertitore di coppia -PIAGGIO- Piaggio 50 ccm 2 tempi/4 tempi
Piaggio
GP289950
Anello di tenuta albero -PIAGGIO- 34x39x3mm - per puleggia mobile convertitore di coppia - Vespa GTS 125-150, 946 125-150, LX 50-150, LXV 50-150, S 50-150, Primavera 50-150, Sprint 50-150, ET2, Piaggio NRG, Free 50-100, Fly 50-125
Piaggio
GP289840
O-ring per convertitore di coppia -PIAGGIO- Vespa GTS 125 (ZAPMA3100, ZAPMA3200, ZAPMA3700, ZAPMD3200), Vespa GTS 150 (ZAPMA3200, ZAPMA3100), Vespa GTS Super 125 (ZAPMA3100, ZAPMA3200, ZAPMA3700, ZAPMD3200), Vespa LT 150 (RP8M66603), Vespa LX 125 (ZAPM683
OEM-Qualität
H72895196
Dado con flangia (dente a cricchetto) -DIN 6923- M10 x 1,25 (utilizzato per albero motore (lato guida) Piaggio 50 ccm, Minarelli 50 ccm)
OEM-Qualität
R25256
Dado di accoppiamento -M28 x 1- chiave di misura 34 mm
Piaggio
1482766
Convertitore di coppia a blocco scorrevole -PIAGGIO- Piaggio 50cm 2 tempi (tranne Sfera (NSL1T) e Zip (SSL1T)), Piaggio 50-100 ccm 4 tempi
OEM-Qualität
7676620
Anello Seeger -CORONAZIONE DIN472- Ø=24mm - (usato per Vespa Wideframe VM, VB, VL, VNA, VBA, GS150 / GS3, GL ruota a palo)
Data di consegna
×
×