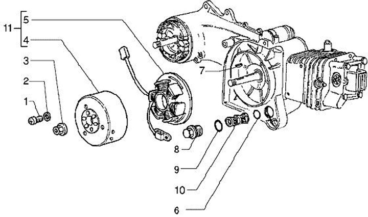
Statore
Vespa ET4 125 (1996, ZAPM04000)
Ordinamento