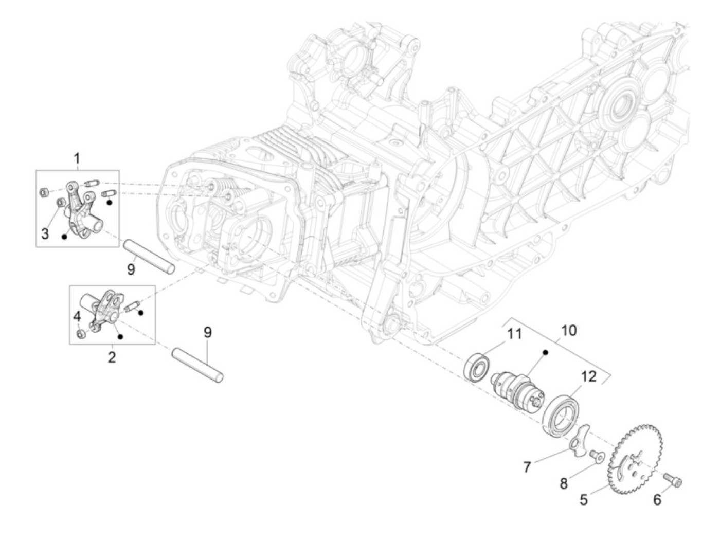
Supporto per braccio oscillante
Piaggio Liberty 125 (2021-2023, ZAPMD6100)
Ordinamento