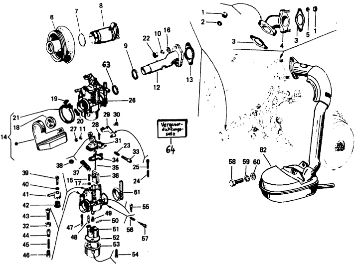
Carburator + Exhaust
Vespa PK 50 (V5X1T)
Sort