very good
4.7 / 5
Shipping today with order in 17 min
Postage free from 99€ (DE)
High customer satisfaction
Contact
|
Privacy
|
AGB & Customer Info
|
Imprint
Shipping today with order in 17 min
Blog
DE | €
My garage
password forgotten?
login
Create new customer account
0
all
Motor
All off Motor
Air filter
Carburetor
Clutch
Cooling
Crankshaft
Cylinder
Drive
Exhaust
Gearbox
Ignition
Injection system
Intake manifold & diaphragm
Motor & housing
Motors
Overhaul set
Screws & small parts
Seals
Starter
Electrical system
All off Electrical system
Batteries
Cables
Ignition & alternator
Instruments
Light source
Lighting
Regulator, rectifier
Screws & small parts
sockets & plugs
Spark plugs
Starter motor
Switches
Frame & add-on parts
All off Frame & add-on parts
Cladding parts
Forks
Fuel system
Lettering
Main & side stand
Screws & small parts
Seats
Shock absorber
Steering head bearing
Handlebars & fittings
All off Handlebars & fittings
Brake & clutch
Gas shift handles
Handlebars & fairing parts
Handles
Instruments
Mirror
Screws & small parts
Switches
Bowden cables
All off Bowden cables
Brake lines
Cable pulls & sets
Clamping nipples & adjusting screws
Control elements
Speedometer cables
Tacho drives
Wheels
All off Wheels
Brakes
Hoses
Rims
Tires
Valves & small parts
Wheels
Service
All off Service
Filter
Oils
Sets
Tool
V-belt
Oil & Chemistry
All off Oil & Chemistry
Adhesives
Care products & cleaners
Greases & Lubricants
Lacquers & paints
Oils
Operating materials
Sealant
Workshop supplies
Accessories
All off Accessories
Bags
Crash bars
Literature
Luggage racks
Merchandise
Mobile phone mounts & accessories
Rev limiters
Special accessories
Theft protection
Topcase
Windshields
Workshop Equipment
Helmets & Clothing
All off Helmets & Clothing
Accessories
Gloves
Goggles & Visors
Helmets
Jackets & Trousers
T-Shirt & Hemden
Vouchers
Tip of the day
%
BGM PRO
Disassembly tool wheel shaft front wheel -BGM PRO- Vespa 125 V1-V15, V30-33, VM1-2, VN1, VN2, VNA, VNB , 150 VL, VB, VBA, VBB, VLA1, VGL1, VGLA1, VGLB1, Super, GL, T4, Sprint, GT, GTR, Rally, TS, Motovespa (1959-1964) 125N, 125S, 150S
21,91 €*
24,90 €*
Vespa Classic
Engines
All off Engines
Air filter
Carburetor
Clutch
Cooling
Crankshaft
Cylinder
Drive
Exhaust
Gearbox
Ignition
Intake manifold & diaphragm
Motor & housing
Motors
Revision set
Screws & small parts
Seals
Starter
Electrical system
All off Electrical system
Batteries
Cables
Ignition & alternator
Instruments
Light source
Lighting
Plug
Regulator, rectifier
Screws & small parts
Spark plugs
Starter motor
Switches
Chassis
All off Chassis
Benches
Cladding parts
Forks
Fuel system
Lettering
Main & side stand
Screws & small parts
Shock absorber
Steering head bearing
Handlebar
All off Handlebar
Brake & clutch
Gas shift handles
Handlebars & fairing parts
Handles
Instruments
Mirror
Screws & small parts
Switches
Bowden cables
All off Bowden cables
Brake lines
Cable pulls & sets
Clamping nipples & adjusting screws
Control elements
Speedometer cables
Tacho drives
Wheels
All off Wheels
Brakes
Hoses
Rims
Tires
Valves & small parts
Wheels
Service
All off Service
Filter
Oils
Sets
Tool
Oil & Chemistry
All off Oil & Chemistry
Adhesives
Care products & cleaners
Greases & Lubricants
Lacquers & paints
Oils
Operating materials
Sealant
Workshop supplies
Accessories
All off Accessories
Bags
Crash bar
Literature
Luggage carrier
Merchandise
Smartphone holders & accessories
Special accessories
TopCase
Wind shields
Workshop equipment
Helmets & Clothing
All off Helmets & Clothing
Accessories
Glasses & visors
Gloves
Helmets
Jackets & pants
T-shirt & shirts
Tip of the day
DEXTER RACING
Front disc brake set -DEXTER RACING Classic- Vespa V50 N-L-R four-hole rim - aluminum
0,00 €*
Vespa Modern
Motor
All off Motor
Air filter
Carburetor
Clutch
Cooling
Crankshaft
Cylinder
Drive
Exhaust
Gearbox
Ignition
Injection system
Intake manifold & diaphragm
Motor & housing
Motors
Revision set
Screws & small parts
Seals
Starter
Electrical system
All off Electrical system
Batteries
Cables
Ignition & alternator
Instruments
Light source
Lighting
Plug
Regulator, rectifier
Screws & small parts
Spark plugs
Starter motor
Switches
Frame & add-on parts
All off Frame & add-on parts
Benches
Cladding parts
Forks
Fuel system
Lettering
Main & side stand
Screws & small parts
Shock absorber
Steering head bearing
Handlebars & fittings
All off Handlebars & fittings
Brake & clutch
Gas shift handles
Handlebars & fairing parts
Handles
Instruments
Mirror
Screws & small parts
Switches
Bowden cables
All off Bowden cables
Brake lines
Cable pulls & sets
Clamping nipples & adjusting screws
Control elements
Speedometer cables
Tacho drives
Wheels
All off Wheels
Brakes
Hoses
Rims
Tires
Valves & small parts
Wheels
Service
All off Service
Cleaner
Filter
Oils
Sets
Tool
V-belt
Oil & Chemistry
All off Oil & Chemistry
Adhesives
Care products & cleaners
Greases & Lubricants
Lacquers & paints
Oils
Operating materials
Sealant
Workshop supplies
Accessories
All off Accessories
Bags
Crash bar
Literature
Luggage carrier
Merchandise
Smartphone holders & accessories
Special accessories
Theft protection
TopCase
Wind shields
Workshop equipment
Helmets & Clothing
All off Helmets & Clothing
Accessories
Glasses & visors
Gloves
Helmets
Jackets & pants
T-shirt & shirts
Tip of the day
Arrow
Exhaust system- ARROW- Urban - Dark aluminum with stainless steel end cap - Vespa GTS 310
925,00 €*
Moped classic
Motor
All off Motor
Air filter
Carburetor
Clutch
Cooling
Crankshaft
Cylinder
Drive
Exhaust
Gearbox
Ignition
Intake manifold & diaphragm
Motor & housing
Revision set
Screws & small parts
Seals
Starter
Electrical system
All off Electrical system
Batteries
Cables
Ignition & alternator
Instruments
Light source
Lighting
Plug
Regulator, rectifier
Screws & small parts
Spark plugs
Switches
Frame & add-on parts
All off Frame & add-on parts
Benches
Cladding parts
Forks
Fuel system
Lettering
Main & side stand
Screws & small parts
Shock absorber
Steering head bearing
Handlebars & fittings
All off Handlebars & fittings
Brake & clutch
Gas shift handles
Handlebars & fairing parts
Handles
Instruments
Mirror
Screws & small parts
Switches
Bowden cables
All off Bowden cables
Cable pulls & sets
Clamping nipples & adjusting screws
Control elements
Speedometer cables
Tacho drives
Wheels
All off Wheels
Brakes
Hoses
Rims
Tires
Valves & small parts
Wheels
Service
All off Service
Filter
Oils
Tool
Oil & Chemistry
All off Oil & Chemistry
Adhesives
Care products & cleaners
Greases & Lubricants
Lacquers & paints
Oils
Operating materials
Sealant
Workshop supplies
Accessories
All off Accessories
Bags
Literature
Luggage carrier
Merchandise
Special accessories
Theft protection
Workshop equipment
Helmets & Clothing
All off Helmets & Clothing
Accessories
Gloves
Helmets
T-shirt & shirts
Tip of the day
BGM PRO
Clutch bell -BGM PRO- Piaggio Ciao, Bravo, Boxer, Si -one-piece with cooling fins , CNC Made in Germany ,models with variator
129,00 €*
Lambretta
Motor
All off Motor
Air filter
Carburetor
Clutch
Cooling
Crankshaft
Cylinder
Drive
Exhaust
Gasket
Gearbox
Ignition
Intake manifold & diaphragm
Kickstarter
Motor & housing
Revision sets
Screws & small parts
Electrical system
All off Electrical system
Batteries
Cable harnesses
Ignition & alternator
Instruments
Light source
Lighting
Plug
Regulator & rectifier
Screws & small parts
Spark plugs
Switches
Frame & add-on parts
All off Frame & add-on parts
Benches
Cladding parts
Forks
Fuel system
Lettering
Main stand
Screws & small parts
Shock absorber
Steering head bearing
Handlebars & fittings
All off Handlebars & fittings
Brake & clutch
Gas shift handles
Handlebars & fairing parts
Handles
Instruments
Mirror
Screws & small parts
Switches
Bowden cables
All off Bowden cables
Brake hoses
Cable pulls & sets
Clamping nipples & adjusting screws
Control elements
Speedometer cables
Tacho drives
Wheels
All off Wheels
Brakes
Hoses
Rims
Tires
Valves & small parts
Wheels
Service
All off Service
Cleaner
Oils
Sets
Tool
Oil & Chemistry
All off Oil & Chemistry
Adhesives
Care products & cleaners
Greases & Lubricants
Lacquers & paints
Oils
Operating materials
Sealant
Workshop supplies
Accessories
All off Accessories
Bags
Crash bar
Literature
Luggage carrier
Merchandise
Smartphone holders & accessories
Special accessories
Theft protection
Wind shields
Workshop equipment
Helmets & Clothing
All off Helmets & Clothing
Accessories
Gloves
Helmets
Jackets & pants
T-shirt & shirts
Tip of the day
BGM PRO
Spare wheel carrier -BGM PRO- Lambretta Lui, Luna, Vega, Cometa- stainless steel
79,00 €*
Scooter 50-850cc
Motor
All off Motor
Air intake filters
Carburettors
Clutch
Cooling
Crankshaft
Cylinders
Drive
Engine casing
Engines
Exhaust
Gaskets
Gear boxes
Ignition
Injection system
Intake manifold & reed valve
Overhaul set
Screws & small parts
Starter
Electrical system
All off Electrical system
Batteries
Display instruments
Electric wires
Ignition & Alternator
Lamps
lighting
Regulator, rectifier
Screws & small parts
sockets & plugs
Spark plugs
starter
Switches
Frame & add-on parts
All off Frame & add-on parts
Benches
Cladding parts
Forks
Fuel system
Lettering
Main & side stand
Screws & small parts
Shock absorber
Steering head bearing
Handlebars & fittings
All off Handlebars & fittings
Brake & clutch
Gas shift handles
Handlebars & fairing parts
Handles
Instruments
Mirror
Screws & small parts
Switches
Bowden cables
All off Bowden cables
Brake lines
Cable pulls & sets
Control elements
Speedometer cables
Tacho drives
Trunions & adjusting screws
Wheels
All off Wheels
Brakes
Hoses
Rims
Tires
Valves & small parts
Wheels
Service
All off Service
Cleaner
Filter
Oils
Sets
Tool
V-belts
Oil & Chemistry
All off Oil & Chemistry
Adhesives
Care products & cleaners
Greases & Lubricants
Lacquers & paints
Oils
Operating fluids
Sealant
Workshop supplies
Accessories
All off Accessories
Bags
Crash bars
Literature
Luggage racks
Merchandise
Mobile phone mounts & accessories
Rev limiters
Special accessories
Theft protection
Topcase
Wind shields
Workshop equipment
Helmets & Clothing
All off Helmets & Clothing
Accessories
Gloves
Goggles & Visors
Helmets
Jackets & Trousers
T-shirt & shirts
Tip of the day
Malossi
Oil filler plug with dipstick -MALOSSI- Engine oil- Piaggio Leader/Quasar - Vespa ET4, LX, LXV, S, GT, GTS, GTV, GTL 125-300, Royal Alloy GP, TG - black
46,90 €*
Piaggio 250/300/310 4T LC
X9 250 (2000, ZAPM23000)
Explosionszeichnungen
Vergaser
Motor
Electrical system
Frame & add-on parts
Handlebars & fittings
Bowden cables
Wheels
Service
Oil & Chemistry
Accessories
Helmets & Clothing
Piaggio X9 250 (2000, ZAPM23000)
Exploded views
Air intake filter
Brake hose
Camshaft - valves
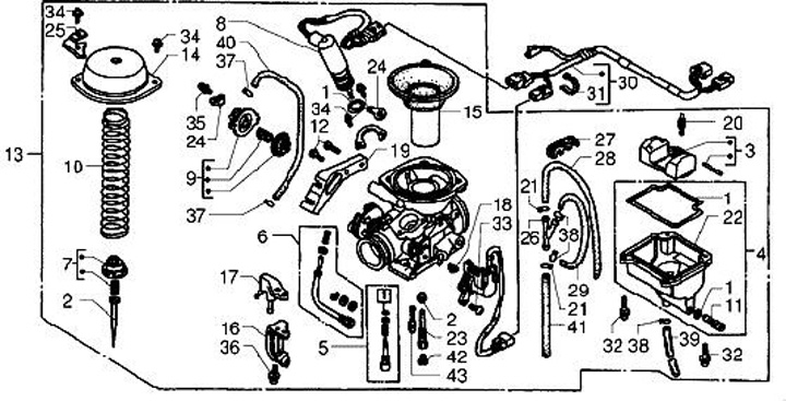
Carburettor
Centre stand - side stand
Chassis
Coolant reservoir
Crankshaft - piston
Cylinder
Cylinder cowling
Cylinder head
Engine casing
Engine casing cover
Engine casing cover rhs
Exhaust
Footboard
Fork
Front brake caliper - rear brake caliper
Front mudguard - rear mudguard
Front wheel
Fuel tank
Gasket set engine
Gasket set engine
Gears
Handlebar - brake master cylinder
Handlebar top
Headlight - indicator
Helmet box
Legshield - windscreen - mirror
Licence plate holder
Lock set - ignition switch
Oil pump - timing chain
Radiator - ventilator
Rear pulley - clutch
Rear shock absorber
Rear wheel
Regulator - ignition coil
Schwingarm
Seat
Side cover - spoiler
Speedo
Starter motor
Starter switch
Stator
Steering set
Switch - horn
Tail light - indicator
Timing chain - chain tensioner
Toolbox
Variator - CVT
Water pump
Wiring harness
Carburettor
Piaggio X9 250 (2000, ZAPM23000)
Sort
Relevance
Prices ascending
Prices descending
Brand A-Z
Brand Z-A
Novelties
There are no products available in this view
×
×