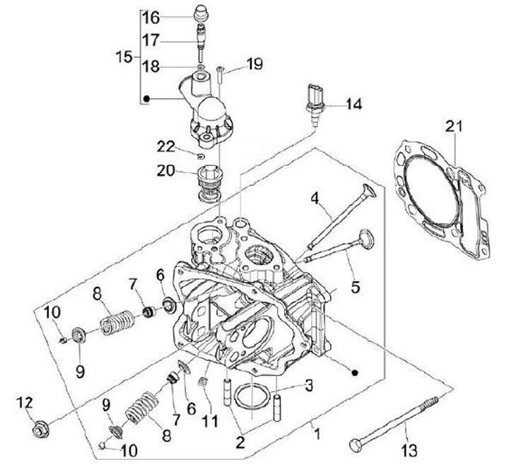
Cylinder head
Gilera Nexus 300 Centenario (2012, ZAPM35600)
Sort