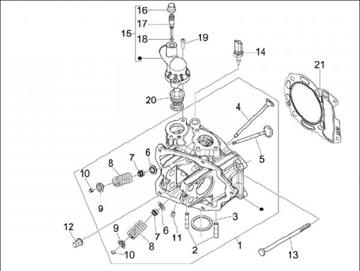
Cylinder head
Gilera Nexus 300 (2008, ZAPM35600)
Sort