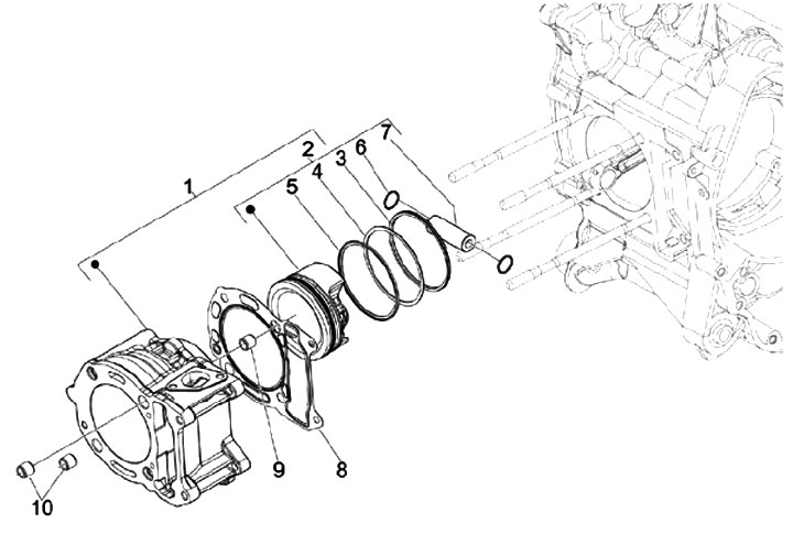
Cylinder
Aprilia SR Max 125 (2013, ZAPM35700)
Sort