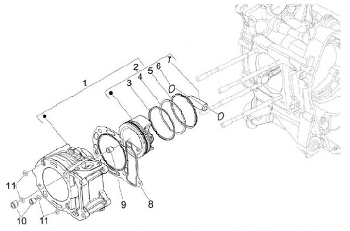
Cylinder
Aprilia SR Max 300 (2011-2014, ZAPM356)
Sort