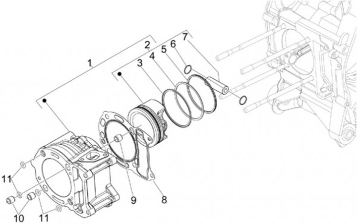
Cylinder
Vespa GTS 300 (2015, ZAPM45200)
Sort