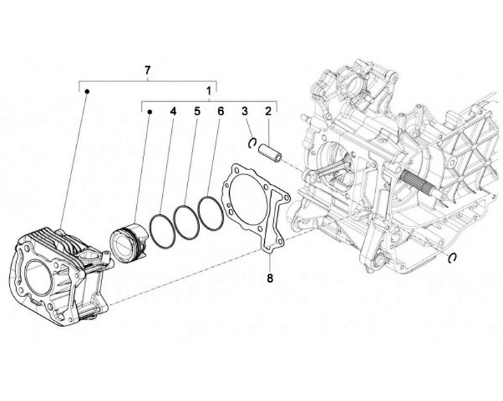
Cylinder
Vespa Primavera 125 ABS (2013, RP8M82310)
Sort