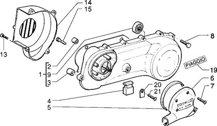
Engine casing cover
Piaggio TPH 50 XR (2000, ZAPC19000)
Sort