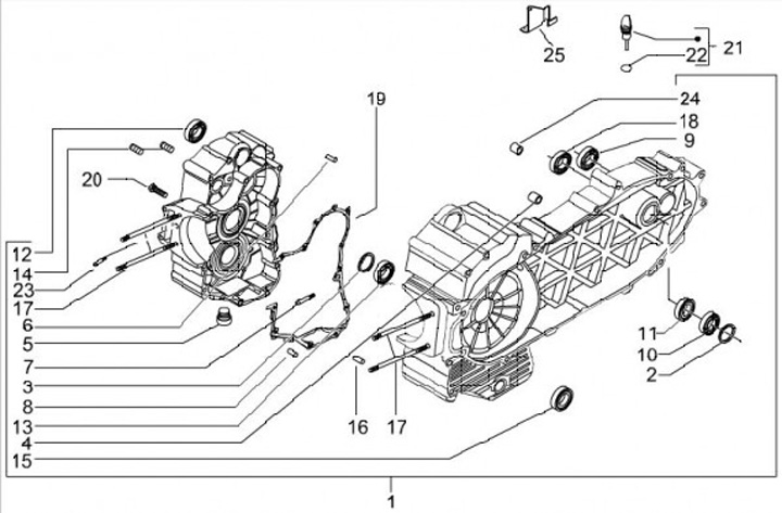
Engine casing
Piaggio Beverly 400 (2008-2009, ZAPM34400)
Sort