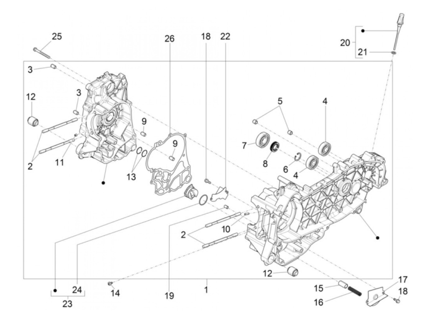
Engine casing
Vespa GTS 300ie Super HPE ABS ASR (2021, ZAPMD3100) Racing Sixti
Sort