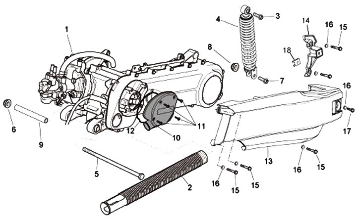
Engine
Aprilia SR 50 R-Factory (2010, ZD4VFB00)
Sort