very good
4.7 / 5
Shipping today with order in 8 h 6 min
Postage free from 99€ (DE) High customer satisfaction
Contact |Privacy |AGB & Customer Info |Imprint
Shipping today with order in 8 h 6 min
Vespa 50 N Special (V5B3T -97624) | Exploded views Vespa 50 N Special (V5B3T -97624) | Exploded views
Blog DE  |  €
My vehicle
password forgotten?
Create new customer account
0
  • all
    • Motor
      All off Motor
      • Air filter
      • Carburetor
      • Clutch
      • Cooling
      • Crankshaft
      • Cylinder
      • Drive
      • Exhaust
      • Gearbox
      • Ignition
      • Injection system
      • Intake manifold & diaphragm
      • Motor & housing
      • Motors
      • Overhaul set
      • Screws & small parts
      • Seals
      • Starter
    • Electrical system
      All off Electrical system
      • Batteries
      • Cables
      • Ignition & alternator
      • Instruments
      • Light source
      • Lighting
      • Regulator, rectifier
      • Screws & small parts
      • sockets & plugs
      • Spark plugs
      • Starter motor
      • Switches
    • Frame & add-on parts
      All off Frame & add-on parts
      • Cladding parts
      • Forks
      • Fuel system
      • Lettering
      • Main & side stand
      • Screws & small parts
      • Seats
      • Shock absorber
      • Steering head bearing
    • Handlebars & fittings
      All off Handlebars & fittings
      • Brake & clutch
      • Gas shift handles
      • Handlebars & fairing parts
      • Handles
      • Instruments
      • Mirror
      • Screws & small parts
      • Switches
    • Bowden cables
      All off Bowden cables
      • Brake lines
      • Cable pulls & sets
      • Clamping nipples & adjusting screws
      • Control elements
      • Speedometer cables
      • Tacho drives
    • Wheels
      All off Wheels
      • Brakes
      • Hoses
      • Rims
      • Tires
      • Valves & small parts
      • Wheels
    • Service
      All off Service
      • Filter
      • Oils
      • Sets
      • Tool
      • V-belt
    • Oil & Chemistry
      All off Oil & Chemistry
      • Adhesives
      • Care products & cleaners
      • Greases & Lubricants
      • Lacquers & paints
      • Oils
      • Operating materials
      • Sealant
      • Workshop supplies
    • Accessories
      All off Accessories
      • Bags
      • Crash bars
      • Literature
      • Luggage racks
      • Merchandise
      • Mobile phone mounts & accessories
      • Rev limiters
      • Special accessories
      • Theft protection
      • Topcase
      • Windshields
      • Workshop Equipment
    • Helmets & Clothing
      All off Helmets & Clothing
      • Accessories
      • Gloves
      • Goggles & Visors
      • Helmets
      • Jackets & Trousers
      • T-Shirt & Hemden
    • Vouchers
    Tip of the day
    Battery charger -H-TRONIC AL 300Pro- 2V, 6V, 12V
    H-Tronic
    Battery charger -H-TRONIC AL 300Pro- 2V, 6V, 12V
    16,90 €*
  • Vespa Classic
    • Engines
      All off Engines
      • Air filter
      • Carburetor
      • Clutch
      • Cooling
      • Crankshaft
      • Cylinder
      • Drive
      • Exhaust
      • Gearbox
      • Ignition
      • Intake manifold & diaphragm
      • Motor & housing
      • Motors
      • Revision set
      • Screws & small parts
      • Seals
      • Starter
    • Electrical system
      All off Electrical system
      • Batteries
      • Cables
      • Ignition & alternator
      • Instruments
      • Light source
      • Lighting
      • Plug
      • Regulator, rectifier
      • Screws & small parts
      • Spark plugs
      • Starter motor
      • Switches
    • Chassis
      All off Chassis
      • Benches
      • Cladding parts
      • Forks
      • Fuel system
      • Lettering
      • Main & side stand
      • Screws & small parts
      • Shock absorber
      • Steering head bearing
    • Handlebar
      All off Handlebar
      • Brake & clutch
      • Gas shift handles
      • Handlebars & fairing parts
      • Handles
      • Instruments
      • Mirror
      • Screws & small parts
      • Switches
    • Bowden cables
      All off Bowden cables
      • Brake lines
      • Cable pulls & sets
      • Clamping nipples & adjusting screws
      • Control elements
      • Speedometer cables
      • Tacho drives
    • Wheels
      All off Wheels
      • Brakes
      • Hoses
      • Rims
      • Tires
      • Valves & small parts
      • Wheels
    • Service
      All off Service
      • Filter
      • Oils
      • Sets
      • Tool
    • Oil & Chemistry
      All off Oil & Chemistry
      • Adhesives
      • Care products & cleaners
      • Greases & Lubricants
      • Lacquers & paints
      • Oils
      • Operating materials
      • Sealant
      • Workshop supplies
    • Accessories
      All off Accessories
      • Bags
      • Crash bar
      • Literature
      • Luggage carrier
      • Merchandise
      • Smartphone holders & accessories
      • Special accessories
      • TopCase
      • Wind shields
      • Workshop equipment
    • Helmets & Clothing
      All off Helmets & Clothing
      • Accessories
      • Glasses & visors
      • Gloves
      • Helmets
      • Jackets & pants
      • T-shirt & shirts
    Tip of the day
    Tires -BGM Sport (Made in Germany by Heidenau)- 3.50 - 10 inch TL 59S 180 km/h (reinforced) - only for tubeless rims
    New
    Top
    BGM PRO
    Tires -BGM Sport (Made in Germany by Heidenau)- 3.50 - 10 inch TL 59S 180 km/h (reinforced) - only for tubeless rims
    59,00 €*
  • Vespa Modern
    • Motor
      All off Motor
      • Air filter
      • Carburetor
      • Clutch
      • Cooling
      • Crankshaft
      • Cylinder
      • Drive
      • Exhaust
      • Gearbox
      • Ignition
      • Injection system
      • Intake manifold & diaphragm
      • Motor & housing
      • Motors
      • Revision set
      • Screws & small parts
      • Seals
      • Starter
    • Electrical system
      All off Electrical system
      • Batteries
      • Cables
      • Ignition & alternator
      • Instruments
      • Light source
      • Lighting
      • Plug
      • Regulator, rectifier
      • Screws & small parts
      • Spark plugs
      • Starter motor
      • Switches
    • Frame & add-on parts
      All off Frame & add-on parts
      • Benches
      • Cladding parts
      • Forks
      • Fuel system
      • Lettering
      • Main & side stand
      • Screws & small parts
      • Shock absorber
      • Steering head bearing
    • Handlebars & fittings
      All off Handlebars & fittings
      • Brake & clutch
      • Gas shift handles
      • Handlebars & fairing parts
      • Handles
      • Instruments
      • Mirror
      • Screws & small parts
      • Switches
    • Bowden cables
      All off Bowden cables
      • Brake lines
      • Cable pulls & sets
      • Clamping nipples & adjusting screws
      • Control elements
      • Speedometer cables
      • Tacho drives
    • Wheels
      All off Wheels
      • Brakes
      • Hoses
      • Rims
      • Tires
      • Valves & small parts
      • Wheels
    • Service
      All off Service
      • Cleaner
      • Filter
      • Oils
      • Sets
      • Tool
      • V-belt
    • Oil & Chemistry
      All off Oil & Chemistry
      • Adhesives
      • Care products & cleaners
      • Greases & Lubricants
      • Lacquers & paints
      • Oils
      • Operating materials
      • Sealant
      • Workshop supplies
    • Accessories
      All off Accessories
      • Bags
      • Crash bar
      • Literature
      • Luggage carrier
      • Merchandise
      • Smartphone holders & accessories
      • Special accessories
      • Theft protection
      • TopCase
      • Wind shields
      • Workshop equipment
    • Helmets & Clothing
      All off Helmets & Clothing
      • Accessories
      • Glasses & visors
      • Gloves
      • Helmets
      • Jackets & pants
      • T-shirt & shirts
    Tip of the day
    Intake manifold -POLINI- Piaggio 125-150 4T 2V AC- (1st generation / pre Leader) - Piaggio Sfera, Liberty, Aprilia Habana, Mojito, Vespa ET4, Italjet Torpedo, Benelli Adiva - 1 vacuum connection
    Polini
    Intake manifold -POLINI- Piaggio 125-150 4T 2V AC- (1st generation / pre Leader) - Piaggio Sfera, Liberty, Aprilia Habana, Mojito, Vespa ET4, Italjet Torpedo, Benelli Adiva - 1 vacuum connection
    17,19 €*
  • Moped classic
    • Motor
      All off Motor
      • Air filter
      • Carburetor
      • Clutch
      • Cooling
      • Crankshaft
      • Cylinder
      • Drive
      • Exhaust
      • Gearbox
      • Ignition
      • Intake manifold & diaphragm
      • Motor & housing
      • Revision set
      • Screws & small parts
      • Seals
      • Starter
    • Electrical system
      All off Electrical system
      • Batteries
      • Cables
      • Ignition & alternator
      • Instruments
      • Light source
      • Lighting
      • Plug
      • Regulator, rectifier
      • Screws & small parts
      • Spark plugs
      • Switches
    • Frame & add-on parts
      All off Frame & add-on parts
      • Benches
      • Cladding parts
      • Forks
      • Fuel system
      • Lettering
      • Main & side stand
      • Screws & small parts
      • Shock absorber
      • Steering head bearing
    • Handlebars & fittings
      All off Handlebars & fittings
      • Brake & clutch
      • Gas shift handles
      • Handlebars & fairing parts
      • Handles
      • Instruments
      • Mirror
      • Screws & small parts
      • Switches
    • Bowden cables
      All off Bowden cables
      • Cable pulls & sets
      • Clamping nipples & adjusting screws
      • Control elements
      • Speedometer cables
      • Tacho drives
    • Wheels
      All off Wheels
      • Brakes
      • Hoses
      • Rims
      • Tires
      • Valves & small parts
      • Wheels
    • Service
      All off Service
      • Filter
      • Oils
      • Tool
    • Oil & Chemistry
      All off Oil & Chemistry
      • Adhesives
      • Care products & cleaners
      • Greases & Lubricants
      • Lacquers & paints
      • Oils
      • Operating materials
      • Sealant
      • Workshop supplies
    • Accessories
      All off Accessories
      • Bags
      • Literature
      • Luggage carrier
      • Merchandise
      • Special accessories
      • Theft protection
      • Workshop equipment
    • Helmets & Clothing
      All off Helmets & Clothing
      • Accessories
      • Gloves
      • Helmets
      • T-shirt & shirts
    Tip of the day
    Cylinder kit Schmitt Sportfreund Vertex Edition 50cc for Simson S51 KR512 SR50
    Schmitt
    Cylinder kit Schmitt Sportfreund Vertex Edition 50cc for Simson S51 KR512 SR50
    265,00 €*
  • Lambretta
    • Motor
      All off Motor
      • Air filter
      • Carburetor
      • Clutch
      • Cooling
      • Crankshaft
      • Cylinder
      • Drive
      • Exhaust
      • Gasket
      • Gearbox
      • Ignition
      • Intake manifold & diaphragm
      • Kickstarter
      • Motor & housing
      • Revision sets
      • Screws & small parts
    • Electrical system
      All off Electrical system
      • Batteries
      • Cable harnesses
      • Ignition & alternator
      • Instruments
      • Light source
      • Lighting
      • Plug
      • Regulator & rectifier
      • Screws & small parts
      • Spark plugs
      • Switches
    • Frame & add-on parts
      All off Frame & add-on parts
      • Benches
      • Cladding parts
      • Forks
      • Fuel system
      • Lettering
      • Main stand
      • Screws & small parts
      • Shock absorber
      • Steering head bearing
    • Handlebars & fittings
      All off Handlebars & fittings
      • Brake & clutch
      • Gas shift handles
      • Handlebars & fairing parts
      • Handles
      • Instruments
      • Mirror
      • Screws & small parts
      • Switches
    • Bowden cables
      All off Bowden cables
      • Brake hoses
      • Cable pulls & sets
      • Clamping nipples & adjusting screws
      • Control elements
      • Speedometer cables
      • Tacho drives
    • Wheels
      All off Wheels
      • Brakes
      • Hoses
      • Rims
      • Tires
      • Valves & small parts
      • Wheels
    • Service
      All off Service
      • Cleaner
      • Oils
      • Sets
      • Tool
    • Oil & Chemistry
      All off Oil & Chemistry
      • Adhesives
      • Care products & cleaners
      • Greases & Lubricants
      • Lacquers & paints
      • Oils
      • Operating materials
      • Sealant
      • Workshop supplies
    • Accessories
      All off Accessories
      • Bags
      • Crash bar
      • Literature
      • Luggage carrier
      • Merchandise
      • Smartphone holders & accessories
      • Special accessories
      • Theft protection
      • Wind shields
      • Workshop equipment
    • Helmets & Clothing
      All off Helmets & Clothing
      • Accessories
      • Gloves
      • Helmets
      • Jackets & pants
      • T-shirt & shirts
    Tip of the day
    Clutch compressor tool -BGM PRO- Lambretta LI, LIS, SX, TV (series 2-3), DL, GP, J, Lui
    BGM PRO
    Clutch compressor tool -BGM PRO- Lambretta LI, LIS, SX, TV (series 2-3), DL, GP, J, Lui
    46,90 €*
  • Scooter 50-850cc
    • Motor
      All off Motor
      • Air intake filters
      • Carburettors
      • Clutch
      • Cooling
      • Crankshaft
      • Cylinders
      • Drive
      • Engine casing
      • Engines
      • Exhaust
      • Gaskets
      • Gear boxes
      • Ignition
      • Injection system
      • Intake manifold & reed valve
      • Overhaul set
      • Screws & small parts
      • Starter
    • Electrical system
      All off Electrical system
      • Batteries
      • Display instruments
      • Electric wires
      • Ignition & Alternator
      • Lamps
      • lighting
      • Regulator, rectifier
      • Screws & small parts
      • sockets & plugs
      • Spark plugs
      • starter
      • Switches
    • Frame & add-on parts
      All off Frame & add-on parts
      • Benches
      • Cladding parts
      • Forks
      • Fuel system
      • Lettering
      • Main & side stand
      • Screws & small parts
      • Shock absorber
      • Steering head bearing
    • Handlebars & fittings
      All off Handlebars & fittings
      • Brake & clutch
      • Gas shift handles
      • Handlebars & fairing parts
      • Handles
      • Instruments
      • Mirror
      • Screws & small parts
      • Switches
    • Bowden cables
      All off Bowden cables
      • Brake lines
      • Cable pulls & sets
      • Control elements
      • Speedometer cables
      • Tacho drives
      • Trunions & adjusting screws
    • Wheels
      All off Wheels
      • Brakes
      • Hoses
      • Rims
      • Tires
      • Valves & small parts
      • Wheels
    • Service
      All off Service
      • Cleaner
      • Filter
      • Oils
      • Sets
      • Tool
      • V-belts
    • Oil & Chemistry
      All off Oil & Chemistry
      • Adhesives
      • Care products & cleaners
      • Greases & Lubricants
      • Lacquers & paints
      • Oils
      • Operating fluids
      • Sealant
      • Workshop supplies
    • Accessories
      All off Accessories
      • Bags
      • Crash bars
      • Literature
      • Luggage racks
      • Merchandise
      • Mobile phone mounts & accessories
      • Rev limiters
      • Special accessories
      • Theft protection
      • Topcase
      • Wind shields
      • Workshop equipment
    • Helmets & Clothing
      All off Helmets & Clothing
      • Accessories
      • Gloves
      • Goggles & Visors
      • Helmets
      • Jackets & Trousers
      • T-shirt & shirts
    Tip of the day
    Reed valve -POLINI Original- Minarelli 50-100 ccm (horizontal), Suzuki/Aprilia 50 ccm, CPI, Keeway, Sachs
    Polini
    Reed valve -POLINI Original- Minarelli 50-100 ccm (horizontal), Suzuki/Aprilia 50 ccm, CPI, Keeway, Sachs
    18,90 €*
  1. Exploded views
  2. Vespa 50/80/125 PV/ET3/PK/XL
  3. Vespa 50 N Special (V5B3T)
  4. Explosionszeichnungen
Engines
Electrical system
Chassis
Handlebar
Bowden cables
Wheels
Service
Oil & Chemistry
Accessories
Helmets & Clothing
Vespa 50 N Special (V5B3T -97624)
  • Exploded views
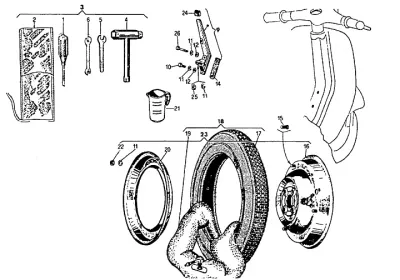
    • Accessories - wheels
    • Carburettor - air intake filter - exhaust system
    • Chassis - suspension
    • Clutch - kickstart lever
    • Engine casing - cylinder - crankshaft
    • Fork - mudguard
    • Front shock absorber
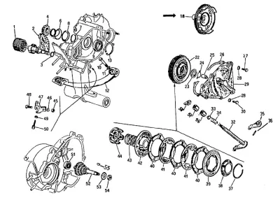
    • Gearbox - rear wheel
    • Handle bar - speedo
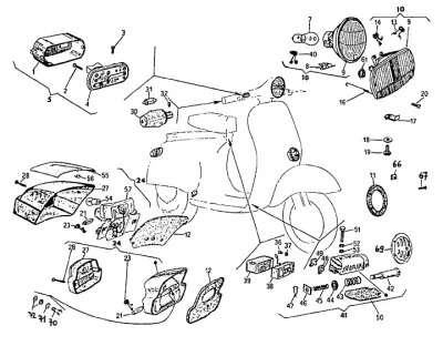
    • Lighting
    • Lighting 50N
    • Rear shock absorber
    • Seat - fuel tank
    • Stator - rotor magneto
    • Transmission cables - brake pedal
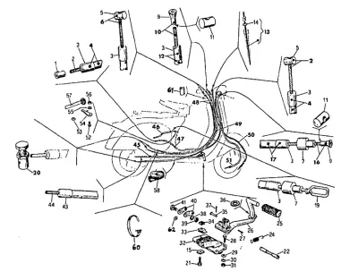
    • Wiring harness
Exploded views
Vespa 50 N Special (V5B3T -97624)
Accessories - wheels
Accessories - wheels
Carburettor - air intake filter - exhaust system
Carburettor - air intake filter - exhaust system
Chassis - suspension
Chassis - suspension
Clutch - kickstart lever
Clutch - kickstart lever
Engine casing - cylinder - crankshaft
Engine casing - cylinder - crankshaft
Fork - mudguard
Fork - mudguard
Front shock absorber
Front shock absorber
Gearbox - rear wheel
Gearbox - rear wheel
Handle bar - speedo
Handle bar - speedo
Lighting
Lighting
Lighting 50N
Lighting 50N
Rear shock absorber
Rear shock absorber
Seat - fuel tank
Seat - fuel tank
Stator - rotor magneto
Stator - rotor magneto
Transmission cables - brake pedal
Transmission cables - brake pedal
Wiring harness
Wiring harness
Subscribe to the Scooter Center Newsletter
Enter your e-mail address..
Sign up for our newsletter now and get a €5 discount on your next order of €50 or more!
Always stay up to date - with news, promotions and exclusive offers for scooters & tuning.
You can unsubscribe at any time. Your data will not be passed on to third parties.
Scooter Center
very good 4.7 / 5
Scooter Center
About us
Contact Us
How to contact us
Opening hours
For dealers
Career
Our responsibility/ESG
 
Service
Shipping costs
Payment methods/prices
Returns/Returns
Buy voucher
Direct order
Exploded views
FAQ
Payment and shipping
Sie können im Shop mit paypal zahlen Sie können im Shop per Vorkasse zahlen Sie können im Shop mit Kreditkarte zahlen Sie können im Shop mit Google Pay zahlen Sie können im Shop mit Apple Pay zahlen Sie können im Shop per Nachnahme zahlen Sie können im Shop mit Trustly zahlen Sie können im Shop mit iDEAL zahlen Sie können im Shop mit bancontact zahlen Sie können im Shop mit Bancomat Pay zahlen Sie können im Shop mit Amex zahlen Sie können im Shop mit BLIK zahlen
Free delivery from an order value of 99 euros for all end customers within Germany.
Wir versenden mit DHL Wir versenden mit ups Wir versenden mit DPD Wir versenden mit Fedex Click & Collect
Article without TÜV and ABE unless otherwise indicated. Delivery times refer to deliveries within Germany.
All rights reserved © 2025 Scooter Center GmbH
Legal matters
Environmental conditions Ordinance on Small Electrical Parts Right of withdrawal AGB & customer information Cookie settings Legal notice Privacy policy
* incl. VAT. plus shipping costs