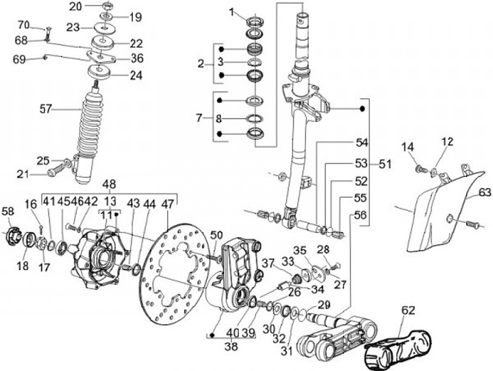
Fork - steering set
Vespa LX 50 (2-stroke, 2004, ZAPC38101)
Sort