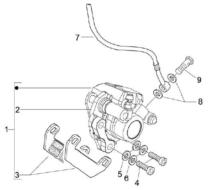
Front brake caliper - brake hose
Vespa LX 50 (4-stroke, 2009, ZAPC38700)
Sort