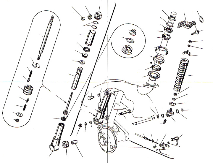
Front suspension
Vespa 125 (VNB3T)
Sort